ARC-6/J(R)、ARC-8/J(R)、ARC-10/J(R)、ARC-12/J(R)
1 概述
ARC系列功率因數自動補償控制器是用于低壓配電系統進行無功功率補償的專用控制器,可以與電壓等級在400V以下的靜態電容屏(柜)配套使用。輸出路數有6、8、10、12四種規格。產品符GB/T15576-2008國家標準,具有功能完善、運行穩定可靠、控制精度高等特點。
ARC系列功率因數自動補償控制器具備RS485通訊接口,其所采樣得到的電壓、電流、頻率、有功功率、無功功率、諧波含量、功率因數、溫度可通過通訊接口傳送到其它外部設備。
具備過電壓保護、欠流鎖定、電網諧波過大保護功能。
可選配開關量輸入與溫度控制,擴展開關量輸入,能對外部中間控制接觸器進行監控。溫度控制能對電容屏(柜)降溫風機進行自動控制。
2 型號說明

3 選型表

4 使用條件
●海拔高度不超過2500米
●周圍環境溫度為-25℃~60℃,24小時的平均溫度不高于40℃
●空氣的相對濕度在25℃時不大于85%,不結露
●周圍環境無腐蝕性氣體,無導電塵埃,無易燃易爆介質存在
●工作的電網電壓波動幅度不得大于±20%
●安裝地點無劇烈震動、無雨雪直接侵蝕
5 技術參數

6 面板圖示

7 外形及尺寸(mm)

8 接線端子
上排端子

中排端子

下排端子

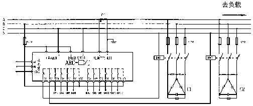
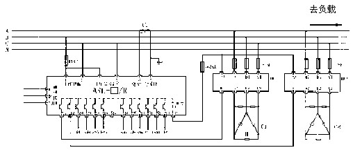
9 接線圖

工作電源為AC220V,相電壓采樣,繼電器輸出

工作電源為AC380V,線電壓采樣,繼電器輸出

工作電源為AC220V,相電壓采樣,帶隔離的復合開關輸出

公司網址 www.acrel.cn