產品編號: 61217402816
產品名稱: PT90
規 格: 背隙度:5~10
產品備注: 詳細說明請瀏覽“下載中心”里的產品說明書或聯系我們。
產品類別: Golden Sky行星減速機
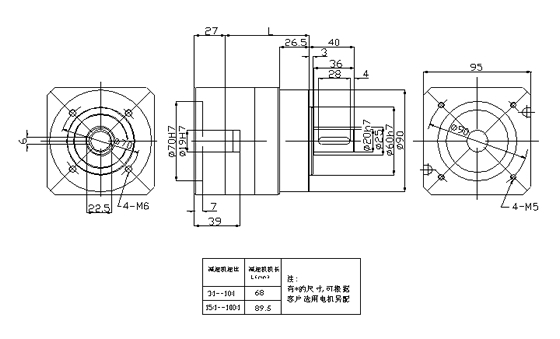
PT 90 外形圖

PT 90系列性能表(表1)
|
型
號
|
減
速
比 |
工作壽命5000小時 |
工作壽命10000小時 |
最大
扭矩
Nm
Tpeak |
轉動慣量
kg-
cm2
J |
抗扭
剛度
Nm/
arc
-min
|
重
量
Kg
|
背隙
arc-
min
(Max) |
|
單位:Nm 符號:Tr |
單位:Nm 符號:Tr |
|
1000
rpm |
2000
rpm |
3000
rpm |
1000
rpm |
2000
rpm |
3000
rpm |
|
PT90-003 |
3:1 |
51 |
48 |
42 |
48 |
43 |
36 |
160 |
1.41 |
4.7 |
3 |
5 |
|
PT90-004 |
4:1 |
70 |
64 |
60 |
68 |
60 |
52 |
150 |
1.15 |
4.8 |
3 |
5 |
|
PT90-005 |
5:1 |
70 |
64 |
60 |
68 |
60 |
52 |
150 |
1.01 |
4.8 |
3 |
5 |
|
PT90-010 |
10:1 |
60 |
50 |
42 |
55 |
48 |
40 |
150 |
0.76 |
4.7 |
3 |
5 |
|
PT90-015 |
15:1 |
95 |
88 |
80 |
90 |
74 |
60 |
160 |
1.15 |
4.7 |
3.6 |
10 |
|
PT90-020 |
20:1 |
120 |
102 |
88 |
105 |
90 |
76 |
160 |
1.09 |
4.8 |
3.6 |
10 |
|
PT90-025 |
25:1 |
120 |
102 |
88 |
105 |
90 |
76 |
160 |
1.07 |
4.8 |
3.6 |
10 |
|
PT90-030 |
30:1 |
120 |
102 |
88 |
105 |
90 |
76 |
100 |
0.95 |
4.8 |
3.6 |
10 |
|
PT90-040 |
40:1 |
92 |
86 |
78 |
84 |
70 |
58 |
160 |
0.84 |
4.7 |
3.6 |
10 |
|
PT90-050 |
50:1 |
90 |
82 |
78 |
80 |
68 |
56 |
160 |
0.78 |
4.7 |
3.6 |
10 |
|
PT90-100 |
100;1 |
76 |
66 |
58 |
68 |
58 |
46 |
160 |
0.76 |
4.4 |
3.6 |
10 |
|
注:(1)減速比是精確的。
(2)Tr表示在指定的壽命期限內在指定的轉速時的額定扭矩。
(3)J表示減速機的轉動慣量,從輸入軸處測定(包括齒輪、輸出軸等)。
(4)3:1至10:1減速機傳送效率為89%;15:1至100:1減速機傳送效率為84%。
(5)目前常備速比:3:1、4:1、5:1、8:1、10:1、15:1、20:1、25;1、30:1、40:1、50:1、100:1。
|
|
PT 90徑向負載表(表2) 單位:X(mm)、n(rpm)、Fr(N) |
|
|
x |
5 |
10 |
15 |
20 |
25 |
30 |
35 |
40 |
45 |
|
n |
Fr |
|
50 |
1797 |
1493 |
1277 |
1116 |
991 |
891 |
809 |
741 |
684 |
|
100 |
1426 |
1185 |
1014 |
886 |
786 |
707 |
642 |
588 |
543 |
|
250 |
1050 |
873 |
747
|
652
|
579 |
521 |
473, DIV> |
433 |
400 |
|
834 |
693 |
593 |
518 |
460 |
413 |
375 |
344 |
317 |
|
1000 |
662 |
550 |
470 |
411 |
365 |
328 |
298 |
273 |
252 |
|
|
x |
50 |
55 |
60 |
65 |
70 |
75 |
80 |
85 |
90 |
|
n |
Fr |
|
50 |
635 |
592 |
555 |
522 |
493 |
467 |
443 |
422 |
403 |
|
100 |
504 |
470 |
440 |
414 |
391 |
370 |
352 |
335 |
320 |
|
250 |
371 |
346 |
324 |
305 |
288 |
273 |
259 |
247 |
235 |
|
500 |
294 |
275 |
257 |
242 |
229 |
216 |
206 |
196 |
187 |
|
1000 |
233 |
218 |
204 |
192 |
181 |
172 |
163 |
155 |
148 |
|
軸向負載表(表3) |
|
N(rpm) |
Fa(N) |
|
50 |
3250 |
|
100 |
2508 |
|
250 |
1696 |
|
500 |
1425 |
|
1000 |
954 |

注:
(1)上述(表2)表示軸向力Fa=0時的許可徑向力,(表3)表示徑向力Fr=0時的許可軸向力,當即有徑向力又有軸向力時,(表2)表示當量許可負載力P,這時可用公式P=0.56Fr+2Fa對實際徑向力和實際軸向力進行驗算。
(2)上述三表內的數據的解釋權,屬于本公司,并保留產品更新時的數據變更權利,數據變更時恕不另行通知。