|
|
|
產品名稱:
|
億維 SM331 電壓型采集模塊
|
|
型 號:
|
SM331
|
|
價 格:
|
0.00
|
|
品 牌:
|
億維
|
|
|
|
|
■產品描述:UN331-7KF02-0V10 ★能夠方便地擴展S7-300系列PLC的模擬量輸出通道 ★可用于ET200M遠程I/O站的控制點數擴展 ★可支持電流測量方式,滿足工業現場需求 |
|
|
|
電氣參數 |
|
SM331 |
UN331-7KF02-0V10 |
|
電源損耗 |
|
|
額定值(DC) |
24V |
|
反極性保護 |
有 |
|
從背板總路線消耗電流 |
100mA |
|
從負載電壓L+消耗電流 |
120mA(無雙線變送器) |
|
功耗 |
3.6W |
|
電流輸入時允許的輸入最大電壓 |
20V;恒定電壓;75V時最大,1s(脈沖占空比1:20) |
|
模擬量輸入點數 |
8 |
|
電纜長度(屏蔽) |
80mA時最長50米 |
|
輸入范圍(額定值) |
±80mV, ±250mV,±500mV,±1V,±2.5V,±5V,1…5V,±10V |
|
A/D 轉換精度 |
16位 |
|
基本轉換時間 |
190ms |
|
干擾抑制頻率 |
400/60/50/10HZ |
|
基本誤差極限(運行在25℃) |
|
|
電壓 |
|
|
80m |
±0.7% |
|
250-1000mA |
±0.4% |
|
2.5-10V |
±0.6% |
|
診斷中斷 |
有,每組可設置參數 |
|
極限值中斷 |
有,可設置參數 |
|
光電隔離 |
|
|
通道之間 |
無 |
|
通道與背板總線之間 |
有 |
|
所需前連接器 |
20針 |
|
尺寸(長 X 寬 X 高) |
40×125×120 |
|
凈重 |
260g |
|
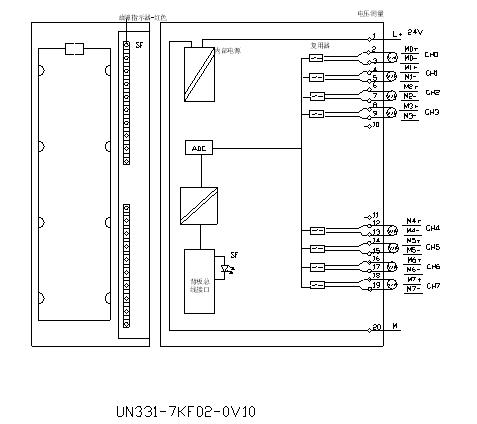
接線圖 |
 |
|
|
|