耐震真空壓力表ZN-50/ZN60/ZN75/ZN100/ZN150
耐震真空壓力表適用于環境劇烈振動場所,可耐受介質的脈動,沖擊及突然卸荷,儀表指示穩定清晰穩定。外殼材料有鐵殼和不銹鋼殼二種,型號規格有ZN-50/ZN60/ZN100/ZN150。廣泛應用于機械、石油、化工、冶金、礦山、電力等部門,測量對銅和銅合金無腐蝕性介質的真空測量。使用壽命長,是普通壓力表的替代產品..防護等級IP65。
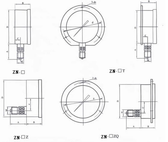
型號命名:

技術參數:
|
型號
|
結構形式
|
精確度%
|
測量范圍 MPa
|
|
ZN-50Z
|
軸向無邊
|
±2.5
|
耐震真空表測量范圍:
-0.1~0;
耐震壓力真空表測量范圍:
-0.1~0.06;-0.1~0.15;
-0.1~0.3;-0.1~0.5;-0.1~0.9
-0.1~1.5;-0.1~2.4;
|
|
ZN-60
ZN-60T
ZN-60Z
ZN-60ZQ
|
徑向無邊
徑向帶后邊
軸向無邊
軸向帶前邊
|
|
ZN-75
ZN-75T
ZN-75Z
ZN-75ZQ
|
徑向無邊
徑向帶后邊
軸向無邊
軸向帶前邊
|
|
ZN-100
ZN-100T
ZN-100Z
ZN-100ZQ
|
徑向無邊
徑向帶后邊
軸向無邊
軸向帶前邊
|
±1.6
|
|
ZN-150
ZN-150T
ZN-150Z
ZN-150ZQ
|
徑向無邊
徑向帶后邊
軸向無邊
軸向帶前邊
|
|
注:軸向可按要求帶方形前邊。
|
真空耐震壓力表使用工作溫度:-5℃~55℃;-25℃~55℃
使用工作環境振動頻率不大于25Hz,振幅不大于1mm
耐震真空壓力表執行標準:Q/320211 DGH01-2003
外形尺寸

|
型號
|
外形尺寸 mm
|
|
A
|
B
|
C
|
D
|
d
|
d0
|
M
|
|
ZN-50Z
|
29
|
24
|
0
|
50
|
/
|
/
|
14X1.5
|
|
ZN-60
|
31
|
32
|
14
|
60
|
/
|
/
|
|
ZN-60T
|
31
|
32
|
15
|
75
|
3.4
|
|
ZN-60Z
|
30
|
32
|
0
|
/
|
/
|
|
ZN-60ZQ
|
30
|
32
|
0
|
75
|
3.4
|
|
ZN-75
|
24
|
30
|
12
|
75
|
/
|
/
|
|
ZN-75T
|
24
|
30
|
12
|
90
|
5.5
|
|
ZN-75Z
|
24
|
30
|
0
|
/
|
/
|
|
ZN-75ZQ
|
24
|
30
|
0
|
90
|
5.5
|
|
ZN-100
|
44
|
45
|
18
|
100
|
/
|
/
|
20X1.5
|
|
ZN-100T
|
44
|
46
|
19
|
118
|
5.5
|
|
ZN-100Z
|
43
|
45
|
34
|
/
|
/
|
|
ZN-100ZQ
|
43
|
45
|
44
|
118
|
5.5
|
|
ZN-150
|
50
|
47
|
19
|
149
|
/
|
/
|
20X1.5
|
|
ZN-150T
|
50
|
48
|
20
|
165
|
5.5
|
|
ZN-150Z
|
51
|
47
|
55
|
/
|
/
|
|
ZN-150ZQ
|
51
|
47
|
55
|
165
|
5.5
|
|
注:連接螺紋可按要求訂貨
|
使用與訂貨須知:
使用中因環境溫度過高,儀表指示值不回零位,可用細針在儀表橡皮塞上通一小孔,使儀表內腔與大氣相通即可。
工作環境應無腐蝕性氣體。
訂貨請說明名稱、型號及測量范圍。