|

| 型號 |
AD103-16D/■■ AD103-16DS/■■ |
| 顏色代碼 |
R:紅色 G:綠色 Y:黃色 W:白色 B:藍色 |
| 燈電壓代碼 |
21-DC.AC 6V 22-DC.AC 12V 23-DC.AC 24V 24-DC.AC 36V 25-DC.AC 48V 26-DC.AC 110V 27-DC.AC 127V 28-DC 220V 31-AC 220V 32-AC 380V |
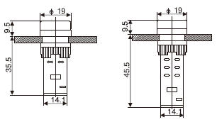
說明
1、在第1個“■”處填寫顏色,第2個“■”處填寫電壓等級代碼
2、產品均采用純色高亮度LED光源。
3、AD103-16D(S)為螺釘接線方式,其中AD103-16D總長度約為55;AD103-16DS為超短型,總長度約為45(不包括插腳)。
4、抗干擾規格請在型號后加“K”。抗干擾規格一般能抗20%Us的干擾電壓,如需其他抗干擾電壓請在定貨時特別注明。
5、型號舉例:
紅色,AC DC24V信號燈,螺釘接線:AD103-16D/R23
綠色,AC380V超短型信號燈,螺釘接線:AD103-16DS/G32 |