1 概述
ASD系列開關柜綜合測控裝置用于3~35kV戶內開關柜,適用于中置柜、手車柜、固定柜、環網柜等多種開關柜。具有一次回路模擬圖及開關狀態指示,高壓帶電顯示,自動溫濕度控制,人體感應自動照明,語音提示,電參數測量及RS485通訊接口等眾多功能,集操作、顯示于一體。
2 型號說明

3 技術參數
| 項 目 |
指 標 |
| ASD300 |
ASD200 |
ASD100 |
| 額定輸入 |
接線方式 |
3P3L或3P4L |
—— |
—— |
| 電壓 |
100V |
—— |
—— |
| 電流 |
5A |
—— |
—— |
| 頻率 |
50Hz |
—— |
—— |
| 準確度 |
電流、電壓 |
0.5級 |
—— |
—— |
| 有功功率、無功功率 |
0.5級 |
—— |
—— |
| 電能 |
0.5級 |
—— |
—— |
| 溫度(@25攝氏度) |
±1℃ |
±1℃ |
±2℃ |
| 相對濕度 |
±5% |
±5% |
±5% |
| 功耗 |
輔助電源 |
≤8VA |
≤6VA |
≤5VA |
| 電壓輸入 |
≤0.5VA |
—— |
—— |
| 電流輸入 |
≤1VA |
—— |
—— |
| 通訊 |
協議 |
MODBUS-RTU |
|
|
| 波特率(bps) |
2400、4800、 |
2400、4800、 |
2400、4800、 |
| 9600、19200 |
9600、19200 |
9600、19200 |
| 平均無故障工作時間(h) |
≥50000 |
≥50000 |
≥50000 |
4 功能配置
5 外形及尺寸(mm)
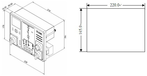
5.1 ASD200、ASD300

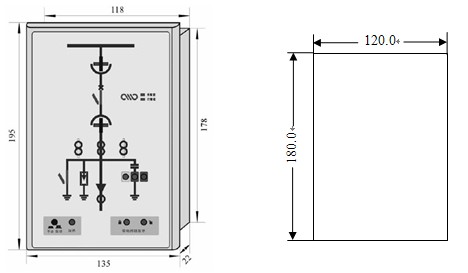
5.2 ASD100

5.3 溫濕度傳感器(配套附件)

6 接線端子
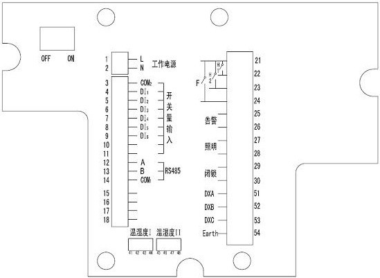
6.1 ASD300

6.2 ASD200

6.3 ASD100
