1 概述
AMC16B系列多回路監控裝置主要應用于多個配出回路的電參數的監測,它將回路中的母線電壓、多個配出回路的電流、功率、電能集中測量和顯示,并可對各個回路的開關狀態集中監測和顯示,以上各參量還可通訊輸出,實現了對監控要求較簡單的配電出線回路的集中測量和監視。一個AMC16B多回路監控裝置就能實現對多個回路的電參量的測量和開關狀態的監測,大大方便了系統的接線、安裝、調試;節約了用戶的投資,降低了系統成本。
2 型號說明

3 技術參數
|
型 號
|
AMC16(B)-1
|
AMC16(B)-3
|
|
配電系統
|
低壓單相配出回路
|
低壓三相配出回路
|
|
測量參數
|
電壓、電流、功率、功率因數、電能、開關量
|
|
母線電壓
|
輸入額定
|
220V AC
|
|
測量范圍
|
40-400V AC
|
|
過載
|
瞬時電壓2倍/30秒
|
|
電流回路
|
負載路數
|
9路單相
|
3路三相(9個電流)
|
|
CT
|
一次側5A-10000A 二次側額定值5A
|
|
輸入
|
0-5A
|
|
過載
|
持續1.2倍,瞬時電流10倍/5秒
|
|
輸入頻率
|
45Hz-60Hz
|
|
開關量指示
|
輸入
|
16B型—9路開關量遙信輸入
|
|
輸出
|
1路繼電器輸出 5A 250VAC/5A 30VDC
|
|
輔助電源
|
AC85V-265V DC100V-350V
|
|
測量精度
|
電流、電壓0.5級,功率、電能1.0級
|
|
功耗
|
<3VA
|
|
絕緣電阻
|
≥100MΩ
|
|
工頻耐壓
|
電源/輸入/輸出 端口之間AC2kV/1min 50Hz
|
|
環境
|
溫度
|
工作溫度:-15℃~+55℃ 貯存溫度:-25℃~+70℃
|
|
濕度
|
相對濕度≤93%(無凝露)
|
|
海拔
|
≤2500m
|
|
顯示
|
16B型-LCD中文液晶顯示
|
|
RS485通訊接口
|
2線,Modbus-RTU
|
|
安裝方式
|
16B型—導軌式安裝
|
| |
|
|
|
|
4 產品規格
|
型號
|
功能
|
開關量(可選)
|
|
單相
|
AMC16B-1I9/*
|
單相ULN,9路單相I,RS485/Modbus
|
9DI/1DO
|
|
AMC16B-1E9/*
|
單相ULN,9路單相I、kW、kVAR、COSΦ、kWh、kVARh,RS485/Modbus
|
9DI/1DO
|
|
三相
|
AMC16B-3I3/*
|
三相U,3路三相I,RS485/Modbus
|
9DI/1DO
|
|
AMC16B-3E3/*
|
三相U,3路三相I、kW、kVAR、COSΦ、kWh、kVARh,RS485/Modbus
|
9DI/1DO
|
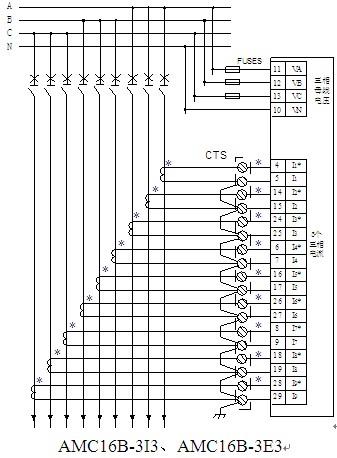
5 外形及尺寸(mm)

AMC16B多回路監控裝置

6.接線端子


