|
|
|
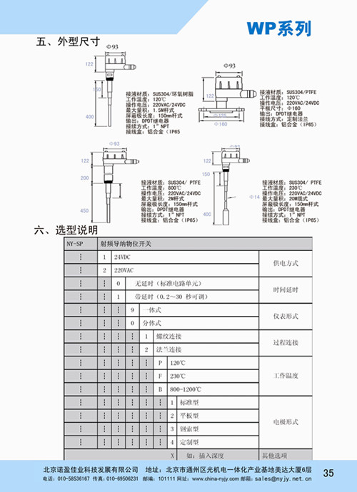
射頻導納開關已在下列場合成功應用: ◆ 面 粉 廠:檢測面粉、麥粒料位 ◆ 飼 料 廠:檢測豆粕料位 ◆ 發 電 廠:檢測粉煤灰料位 ◆ 玻 璃 廠:檢測石英砂及碎玻璃料位 ◆ 建筑機械:檢測水泥倉料位 ◆ 鑄造機械:檢測沙粒料位 ◆ 液力機械:檢測潤滑油液位 ◆ 化 工 廠:檢測滌綸、氨綸、酸、堿等化工物料的液位 ◆ 環 保:檢測污水液位 ◆ 鍋 爐 廠:檢測汽包水位、及其他壓力容器液位 水泥粉料位開關/水泥粉電容開關/灰斗料位開關/除塵器料位開關/水泥灰倉料位開關 射頻導納料位開關工作原理: 工作原理是基于射頻(RF)電容技術。將一個無線電頻率施加在探頭上,通過連續的分析,確定由周圍環境造成的影響。因所有材料均具有介電常數,而且其導電率都不同于空氣,當探頭與材料接觸時由于微小電容量偏移所反映的總阻抗發生變化。因為通電的探頭和容器壁構成電容器的二塊極板,探頭的絕緣體和周圍空氣成為介電材料,當空氣(其介電常數為1.0)被任何其它材料(介電常數>1)置換時,電容效應得以加強。從而改變了應用場合的阻抗。即電容值的變化造成了阻抗的變化。這一影響被電路測量后,再與由靈敏度設置(電路)建立的參考基準相比較。 靈敏度正確設置會影響傳感器輸出正確變化。探頭的Null-KoTeTM電路可以使測量電路對探頭上堆積的物料忽略不計,否則它會引起靈敏度的故障。Null-KoTeTM電路用與加到傳感探頭同樣的無線電頻率電位激勵。由于電流不能在相同的電位下流動,Null-KoTeTM電路就隔斷了通常從通電的探頭經過堆積的物料到容器壁的電流流動。這樣測量到的是通電探頭周圍的物料,而不是堆積的物料。 射頻導納料位開關儀表特點: ■通用性強:可應用于各種導電和非導電介質的測量,例如液體、粘稠物、顆粒、粉末、飛灰。 ■可抗粘附:采用專利的抗粘附電路,可以消除因物料粘附而產生的虛假信號。 ■探頭可拆:控制器與探頭之間沒有電纜連接,隨時可以將控制器拆除更換維修,不影響進出物料。 ■耐高低溫:適用于-184℃至280℃的工作環境,另可提供適用于更高溫度的陶瓷探頭。 ■輸出形式:采用雙刀雙擲的繼電器信號輸出,同時有狀態燈顯示輸出狀態,并有0至30秒的延時功能。 射頻導納料位開關控制器技術參數: 故障報警:上限或下限,現場可調。 輸出繼電器:雙刀雙擲,10A,115VAC或26VDC(阻性)或5A,220VAC 延時時間:0-30秒可調:(開或關) 電源電壓:120/240VAC, 50/60HZ或24VDC 功率:3W 外殼標準:鑄鋁,標準 環境溫度:-40℃~+66℃ 靈敏度:0.5pf~750pf 防爆:I級,C或D組;II級,E,F或G組。 失電保護:常開或常閉,現場可切換。 電氣接口:3/4" NPT ●探頭參數: 安裝螺紋:3/4”NPT 探頭材料:304/316不銹鋼、PTFE 操作溫度:-184℃~260℃(大于260℃可另選用高溫陶瓷探頭) 操作壓力:0~2Mpa ●工作壓力和溫度關系: 31.5Kg/Cm3 @ 149℃ 24.7Kg/Cm3 @ 205℃ 0Kg/Cm3 @ 260℃

|