
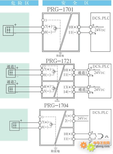
開關量輸出隔離式安全柵,安全場所一側的觸點開關信號通過安全柵控制或驅動現場本安設備工作,本安設備如電磁閥、聲光報警器等。PRG-1701,PRG-1721輸入輸出隔離性能允許控制開關直接連到24VDC供電回路的任一側。
●工作電源:20-35VDC
●功耗:約1.5W(一路)
●輸出:開路電壓≥22VDC UE/IE約12V/60mA
●報警功能:(K1、2置“ON”側,分別控制
1,2通道,16、17為報警端) 報警功能訂貨需注明 詳見隨機說明書
負載電阻<50Ω,短路報警(SC)
負載電阻>10K,開路報警(LB)
●報警繼電器輸出特性:
響應時間:20ms
驅動能力:250VAC/2A,30VDC/2A
負載類型:電阻性負載
●性能指標
非本安端間1000VAC/1分鐘
工作溫度:-20℃~+60℃
相對濕度:35%~85%RH
貯存溫度:-40℃~+80℃
●結構及外形尺寸
產品結構:35mm導軌卡裝式,ABS外殼材料,插拔式端子
外形尺寸:厚16.5×寬106×高112(mm)
整機重量:150g
產品特點:寬范圍供電,符合EMC標準
安裝場所:周圍空氣中應不含對鉻、鎳、銀鍍層起腐蝕作用的介質
適用現場及設備:0區、1區、2區,ⅡA、ⅡB、ⅡC危險區,符合電磁閥,聲光報警器等本安設備
最高連續工作電壓:30VDC
額定放電電流In:5KA(線對地、線對線)
最大放電電流Imax:10KA(線對地)
依據標準:GB/T18802.21-2004
1. 帶浪涌保護時,儀表3腳端子必須接地線;
2.采用可拆分接線端子,方便使用;
3.導線采用截面積0.5mm2~2.5 mm2;
4.導線裸露長度約8mm,由M3螺釘鎖緊。
●國家防爆電氣產品質量監督檢驗中心(CQST)
防爆等級:[Exia Ga](ⅡB)
認證編號:CNEx12.0055
認證參數:端子(7-8,4-5間)
Um = 250VAC/DC Uo = 28VDC Io = 160mA
Po = 1.12W Lo = 4.2mH Co = 0.5uF
