五、RS-422與RS-485傳輸線上匹配的一些說明
對RS-422與RS-485總線網絡一般要使用終接電阻進行匹配。但在短距離與低速率下可以不用考慮終端匹配。那么在什么情況下不用考慮匹配呢?理論上,在每個接收數據信號的中點進行采樣時,只要反射信號在開始采樣時衰減到足夠低就可以不考慮匹配。但這在實際上難以掌握,美國MAXIM公司有篇文章提到一條經驗性的原則可以用來判斷在什么樣的數據速率和電纜長度時需要進行匹配:當信號的轉換時間(上升或下降時間)超過電信號沿總線單向傳輸所需時間的3倍以上時就可以不加匹配。例如具有限斜率特性的RS-485接口MAX483輸出信號的上升或下降時間最小為250ns,典型雙絞線上的信號傳輸速率約為0.2m/ns(24AWG PVC電纜),那么只要數據速率在250kb/s以內、電纜長度不超過16米,采用MAX483作為RS-485接口時就可以不加終端匹配。
一般終端匹配采用終接電阻方法,前文已有提及,RS-422在總線電纜的遠端并接電阻,RS-485則應在總線電纜的開始和末端都需并接終接電阻。終接電阻一般在RS-422網絡中取100Ω,在RS-485網絡中取120Ω。相當于電纜特性阻抗的電阻,因為大多數雙絞線電纜特性阻抗大約在100~120Ω。這種匹配方法簡單有效,但有一個缺點,匹配電阻要消耗較大功率,對于功耗限制比較嚴格的系統不太適合。
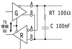
另外一種比較省電的匹配方式是RC匹配,如圖9。利用一只電容C隔斷直流成分可以節省大部分功率。但電容C的取值是個難點,需要在功耗和匹配質量間進行折衷。
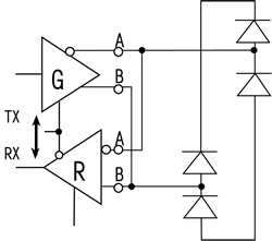
還有一種采用二極管的匹配方法,如圖10。這種方案雖未實現真正的“匹配”,但它利用二極管的鉗位作用能迅速削弱反射信號,達到改善信號質量的目的。節能效果顯著。
 圖9 |
 圖10 |
六、RS-422與RS-485的接地問題
電子系統接地是很重要的,但常常被忽視。接地處理不當往往會導致電子系統不能穩定工作甚至危及系統安全。RS-422與RS-485傳輸網絡的接地同樣也是很重要的,因為接地系統不合理會影響整個網絡的穩定性,尤其是在工作環境比較惡劣和傳輸距離較遠的情況下,對于接地的要求更為嚴格。否則接口損壞率較高。很多情況下,連接RS-422、RS-485通信鏈路時只是簡單地用一對雙絞線將各個接口的“A”、“B”端連接起來。而忽略了信號地的連接,這種連接方法在許多場合是能正常工作的,但卻埋下了很大的隱患,這有下面二個原因:
1.共模干擾問題:正如前文已述,RS-422與RS-485接口均采用差分方式傳輸信號方式,并不需要相對于某個參照點來檢測信號,系統只需檢測兩線之間的電位差就可以了。但人們往往忽視了收發器有一定的共模電壓范圍,如RS-422共模電壓范圍為-7~+7V,而RS-485收發器共模電壓范圍為-7~+12V,只有滿足上述條件,整個網絡才能正常工作。當網絡線路中共模電壓超出此范圍時就會影響通信的穩定可靠,甚至損壞接口。以圖11為例,當發送驅動器A向接收器B發送數據時,發送驅動器A的輸出共模電壓為VOS,由于兩個系統具有各自獨立的接地系統,存在著地電位差VGPD。那么,接收器輸入端的共模電壓VCM就會達到VCM=VOS+VGPD。RS-422與RS-485標準均規定VOS≤3V,但VGPD可能會有很大幅度(十幾伏甚至數十伏),并可能伴有強干擾信號,致使接收器共模輸入VCM超出正常范圍,并在傳輸線路上產生干擾電流,輕則影響正常通信,重則損壞通信接口電路。
 圖11
2.(EMI)問題:發送驅動器輸出信號中的共模部分需要一個返回通路,如沒有一個低阻的返回通道(信號地),就會以輻射的形式返回源端,整個總線就會像一個巨大的天線向外輻射電磁波。
由于上述原因,RS-422、RS-485盡管采用差分平衡傳輸方式,但對整個RS-422或RS-485網絡,必須有一條低阻的信號地。一條低阻的信號地將兩個接口的工作地連接起來,使共模干擾電壓VGPD被短路。這條信號地可以是額外的一條線(非屏蔽雙絞線),或者是屏蔽雙絞線的屏蔽層。這是最通常的接地方法。
值得注意的是,這種做法僅對高阻型共模干擾有效,由于干擾源內阻大,短接后不會形成很大的接地環路電流,對于通信不會有很大影響。當共模干擾源內阻較低時,會在接地線上形成較大的環路電流,影響正常通信。筆者認為,可以采取以下三種措施:
(1) 如果干擾源內阻不是非常小,可以在接地線上加限流電阻以限制干擾電流。接地電阻的增加可能會使共模電壓升高,但只要控制在適當的范圍內就不會影響正常通信。
(2) 采用浮地技術,隔斷接地環路。這是較常用也是十分有效的一種方法,當共模干擾內阻很小時上述方法已不能奏效,此時可以考慮將引入干擾的節點(例如處于惡劣的工作環境的現場設備)浮置起來(也就是系統的電路地與機殼或大地隔離),這樣就隔斷了接地環路,不會形成很大的環路電流。
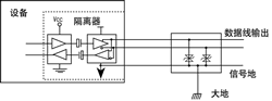
(3) 采用隔離接口。有些情況下,出于安全或其它方面的考慮,電路地必須與機殼或大地相連,不能懸浮,這時可以采用隔離接口來隔斷接地回路,但是仍然應該有一條地線將隔離側的公共端與其它接口的工作地相連。參見圖12。
 圖12
七、RS-422與RS-485的網絡失效保護
RS-422與RS-485標準都規定了接收器門限為±200mV。這樣規定能夠提供比較高的噪聲抑制能力,如前文所述,當接收器A電平比B電平高+200mV以上時,輸出為正邏輯,反之,則輸出為負邏輯。但由于第三態的存在,即在主機在發端發完一個信息數據后,將總線置于第三態,即總線空閑時沒有任何信號驅動總線,使AB之間的電壓在-200~+200mV直至趨于0V,這帶來了一個問題:接收器輸出狀態不確定。如果接收機的輸出為0V,網絡中從機將把其解釋為一個新的啟動位,并試圖讀取后續字節,由于永遠不會有停止位,產生一個幀錯誤結果,不再有設備請求總線,網絡陷于癱瘓狀態。除上述所述的總線空閑會造成兩線電壓差低于200mV的情況外,開路或短路時也會出現這種情況。故應采取一定的措施避免接收器處于不確定狀態。
 圖13
通常是在總線上加偏置,當總線空閑或開路時,利用偏置電阻將總線偏置在一個確定的狀態(差分電壓≥-200mV)。如圖13。將A上拉到地,B下拉到5V,電阻的典型值是1kΩ,具體數值隨電纜的電容變化而變化。
上述方法是比較經典的方法,但它仍然不能解決總線短路時的問題,有些廠家將接收門限移到-200mV/-50mV,可解決這個問題。例如Maxim公司的MAX3080系列RS-485接口,不僅省去了外部偏置電阻,而且解決了總線短路情況下的失效保護問題。
八、RS-422與RS-485的瞬態保護
前文提到的信號接地措施,只對低頻率的共模干擾有保護作用,對于頻率很高的瞬態干擾就無能為力了。由于傳輸線對高頻信號而言就是相當于電感,因此對于高頻瞬態干擾,接地線實際等同于開路。這樣的瞬態干擾雖然持續時間短暫,但可能會有成百上千伏的電壓。
實際應用環境下還是存在高頻瞬態干擾的可能。一般在切換大功率感性負載如電機、變壓器、繼電器等或閃電過程中都會產生幅度很高的瞬態干擾,如果不加以適當防護就會損壞RS-422或RS-485通信接口。對于這種瞬態干擾可以采用隔離或旁路的方法加以防護。
1.隔離保護方法。這種方案實際上將瞬態高壓轉移到隔離接口中的電隔離層上,由于隔離層的高絕緣電阻,不會產生損害性的浪涌電流,起到保護接口的作用。通常采用高頻變壓器、光耦等元件實現接口的電氣隔離,已有器件廠商將所有這些元件集成在一片IC中,使用起來非常簡便,如Maxim公司的MAX1480/MAX1490,隔離電壓可達2500V。這種方案的優點是可以承受高電壓、持續時間較長的瞬態干擾,實現起來也比較容易,缺點是成本較高。
2.旁路保護方法。這種方案利用瞬態抑制元件(如TVS、MOV、氣體放電管等)將危害性的瞬態能量旁路到大地,優點是成本較低,缺點是保護能力有限,只能保護一定能量以內的瞬態干擾,持續時間不能很長,而且需要有一條良好的連接大地的通道,實現起來比較困難。實際應用中是將上述兩種方案結合起來靈活加以運用,如圖14。在這種方法中,隔離接口對大幅度瞬態干擾進行隔離,旁路元件則保護隔離接口不被過高的瞬態電壓擊穿。
 圖14
|