|
某電信營業大廳的諧波治理方案
測試對象:某電信營業大廳LED顯示屏系統 測試狀態:負載約40% 測試依據:《電能質量-公用電網諧波》(GB/T14549-93) 測量設備:綜合電能質量分析儀 測量編號:測Har-081017 測試日期:2008年10月17日
 狀況分析:
1. 設備的電能質量超標項目為諧波電流,三項的電流畸變率分別達到了26.3%、26.2%、30.7%,畸變嚴重。 2. 三項的總功率為30kVA,功率因素為0.96。 3. 三項電流的總畸變率為28.3%其中的主要的諧波電流為:3次、5次、7次、9次,畸變電流次數較多。 4. 主要負荷為開關電源,開關電源入口為整流橋,整流橋為典型的諧波源。 5. 負荷在運行過程中隨著液晶屏的亮度而發生變化,故負荷不是穩定的諧波源。 6. 負荷側電壓基本穩定,無較大的閃變及無功變化,電壓存在一定畸變。 7. 負荷的畸變功率D=8.6kVA。 8. 經分析需要對該負荷進行諧波治理。
諧波危害
一、電力系統中大量諧波電流的存在將會對安全生產造成極大的隱患。 具體體現在以下幾點: 1. 三次諧波電流容易造成系統零序保護開關的誤動作。使系統中的元件產生附加的諧波損耗,降低了輸變電設備的效率,對于有中線的系統,大量的3次諧波流過中性線時,會引起線路過熱甚至發生火災; 2. 影響各種電氣設備的正常工作,除了引起附加損耗外,還可使電機產生機械振動、噪聲和過電壓,使變壓器局部嚴重過熱,使電容器、電纜等設備過熱、絕緣老化、壽命縮短,嚴重時會導致變壓器燒毀、電纜放炮等故障; 3. 會引起系統中局部并聯諧振和串聯諧振,從而使諧波放大,使前述的危害大大增加,甚至引起嚴重事故; 4. 會導致繼電保護和自動裝置誤動作,并使電氣測量儀表計量不準確。
二、電氣設備使用壽命降低
電路中的諧波電流將對系統內的電氣設備使用壽命造成極大的影響。當電路中存在大量諧波電流時,通過電氣設備的基波電流和諧波電流將會大大超過標準規定值,導致其內部發熱,加速老化而縮短實際使用壽命。
三、直接電能損耗
電力線路中諧波電流的存在,對系統中各種電器設備,包括變壓器、輸電線路、電力電容器、電機及用電設備等,將造成附加銅損和鐵損。 可以把諧波源看作為產生諧波的發電機,其諧波能量是通過設備的非線性把基波的能量轉換而來。諧波電流是由非線性負荷產生,然后流入系統,而消耗在負荷及線路中。
解決方案
鑒于負荷諧波次數較為復雜多樣,故推薦采用上海利思電氣有限公司的有源電力濾波器進行諧波治理。按照確定安裝濾波器的最佳位置的原理,應在諧波源就近安裝濾波器,既該設備供電的配電柜旁安裝。這是在諧波源設備已經確定的情況下防止諧波電流注入電網的有效措施。
諧波治理對象:某電信營業大廳LED顯示屏系統 工作電壓:220+10%V 到 220-10%V 供電相數:三相 工作頻率:50Hz+5% 到 50Hz-5% 負 載:最大功率85KW
選擇進行諧波治理的設備需考慮到以下幾方面的問題: 1. 濾波頻譜要寬; 2. 設備響應速度要能夠跟上負荷的變化;
上海利思電氣有限公司生產的并聯電壓型有源電力濾波器(APF)產品具有響應速度快、控制精度高的特點。可有效補償電力系統中的1000次以下諧波、間諧波分量以及無功分量,響應時間小于200us;具有能補償各次諧波、抑制閃變、補償無功,自動跟蹤補償變化的諧波等技術優勢。
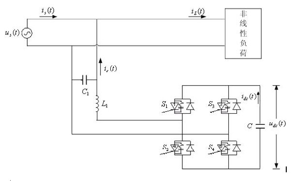
 電壓型單相并聯有源濾波器結構原理圖 根據現場實際情況,在配電柜出線旁安裝一臺補償容量為30kVA的電力有源濾波器(APF)。
利思電氣生產的A30型電力有源濾波器技術參數:
電氣參數: 額定容量:30kVA 額定電壓:220+10%V 到 220-10%V 峰值電流:150A 額定頻率:50Hz+5% 到 50Hz-5% 過載能力:50%
技術參數: 諧波電壓:THD(V)≤5%; 諧波電流:THD(I)≤5%; TDD≤ 5%; 功率因數:cosQ>0.9 響應速度:<300us
工作方式: 可以以有源濾波器單獨方式工作; 可以以有源濾波器和無源濾波器配合工作; 可以多臺裝置同時運行 適用于單相、三相、或三相四線制供電方式; 可以兼顧無功補償作用(可選) 工作環境: 工作環境溫度:-10o到55oC 安裝結構: 落地箱體固定 機柜尺寸: 長:800MM 寬:800MM 高:2200MM(按現場記錄的尺寸) 重量:300KG
具體信息,請訪問如下網頁 http://www.doublextech.com/Dxyy1.htm
|