|
可編程控制器由于其在工業控制方面的應用意義日趨明顯,并在發電、化工、電子等行業工藝設備的電氣控制方面得到了廣泛的應用。它具有功能強大、使用可*、維修簡單等許多優點,并且在很多地方已逐步取代了繼電器電路的邏輯控制。與此同時,智能化中央空調也正被廣泛地應用,在將其倆雙雙結合的情況下,不僅促進了科技的發展,也提高了人民生活水平。
1 概述
1.1 引言
隨著我國經濟的不斷發展,社會高度信息化,新的高科技技術不斷應用到各個方面中,使得智能化已成為一種發展的必然趨勢。智能化也往往是從設備自動化系統開始。本文主要針對我們本次的畢業設計《智能化小型中央空調》闡述PLC控制設計與智能化中央空調(冷凍站)系統的關系。
1.2 系統及工藝簡介
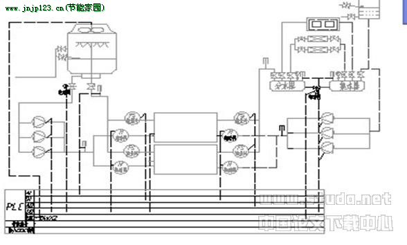
現介紹如下:我們本次的設計中有兩套中央空調系統,由三臺冷卻水泵、三臺冷凍水泵、一臺冷卻塔風機、兩臺冷水機組等主要設備組成兩套制冷系統(因系統小,冷卻塔功率大,實驗室要求等,本系統較一般兩套制冷系統不同的是兩臺冷水機組卻只選擇一個冷卻塔,經計算核定,這并不影響其效果)其中冷水機組是由設備生產廠成套供應的。根據本次設計的實驗室要求,我們選擇了2*5匹全封閉式壓縮機冷水機組。它一般是根據空氣調節原理及規律等由微處理器自動控制。冷水機組由壓縮機、冷凝器與蒸發器組成。壓縮機把制冷劑壓縮,壓縮后的制冷機進入冷凝器,被冷卻水冷卻后,變成液體,析出的熱量由冷卻水帶走,并在冷卻塔里排入大氣。液體制冷劑由冷凝器進入蒸發器蒸發吸收熱量,使冷凍水降溫,然后冷凍水進入冷風機盤管吸收空氣中的熱量。 如此循環不已,把室內的熱量帶出,達到降低環境溫度的目的。因此,中央空調冷凍系統的工藝控制要求為:
(1)測量冷凍水供回水溫度及流量,從而計算空調實際的冷負荷,根據實際的冷負荷來決定冷水機組的開啟臺數,達到最佳節能狀態。
(2)各設備的程序聯動:啟動:冷卻塔風機——冷卻水泵——冷凍水泵——冷水機組。停止:冷水機組——冷凍水泵——冷卻水泵——冷卻塔風機。當其中一臺冷卻水泵/冷凍水泵出現故障時,備用冷卻水泵/冷凍水泵會自動投入工作。
。3)測量冷凍水系統供回水管的壓差△P=P1-P2控制其旁通閥(TV)的開口度,使其維持壓差。
。4)因我們本次設計的實驗室的目的是為給同學們更形象生動的學習理解中央空調系統,所以設計過程中,我們還會考慮到在合適并重要的位置處裝上便于觀察制冷劑或水流情況的窺視鏡。
1.3 PLC原理及應用
中央空調冷凍系統的控制有3種控制方式:早期的繼電器控制系統、直接數字式控制器DDC以及PLC(可編程序控制器)控制系統。繼電器控制系統由于故障率高,系統復雜,功耗高等明顯的缺點已逐漸被人們所淘汰,直接數字式控制器DDC雖然在智能化方面有了很大的發展。但由于DDC其本身的抗干擾能力問題和分級分步式結構的局限性而限制了其應用范圍。相反,PLC控制系統以其運行可*、使用與維護均很方便,抗干擾能力強,適合新型高速網絡結構這些顯著的優點使其逐步得到廣泛的應用。
可編程控制器是計算機家族中的一員。于上個世紀中后葉被發明后,在機床、各種流水線的輸送機械、發電、化工、電子等行業工藝設備的電氣控制方面得到了廣泛的應用,早期的可編程控制器被稱作可編程邏輯控制器(Programmable Logic Controller), 即簡稱為PLC。
PLC具有功能強大、使用可*、維修簡便等許多優點。對于傳統的繼電器電路來說,它難以實現復雜邏輯功能的和數字式控制,而且要實現一定規模的邏輯控制功能不僅設計繁瑣,難以實現升級,并易發故障,維修復雜,現在已被大中型設備的控制系統所拋棄。而PLC正被廣泛的應用并且已逐步取代了繼電器電路的邏輯控制。隨著科學技術不斷的飛躍發展,PLC也不斷得到完善和強大,同時它的功能也大大超過了邏輯控制的范圍,如聯網通信功能和自診斷功能等。因此今天這種裝置被我們稱作可編程控制器,不過我們還是習慣簡稱這種裝置為PLC。
2 PLC的體系結構
2.1 PLC結構圖
PLC實質上是一種被專用于工業控制的計算機,其硬件結構和微機是基本一致的。如圖2.1.1所示:

圖2.1.1 PLC硬件的基本結構
PLC主要是模塊式的,包含CPU模塊、I/O模塊等,PLC一端接傳感器,另一端接執行器,從傳感器得到的數據經PLC讀、運算等處理下達給執行器,執行器動作。PLC相當于 繼電器的作用,其好處是可*性高,自動化程度高、可進行網絡化等。
2.2 PLC的選型及設置
為了滿足以上所介紹的空調工藝要求,整個控制系統需要可編程序控制器的輸入、輸出點分別是112點和32點,其中模擬量輸入、輸出為6點和4點。根據PLC的I/O原理使用原則,即留出一定的I/O點以做擴展時使用,以及系統設計中實際所需的I/O點數。選用華光電子工業有限公司的SU-5/B型。主機:SU-5/B;輸入模塊:U-25N、U-01AD;輸出模塊:U-05T、U-01DA。這種機型的I/O點數為256點,有RS-422通訊端口,其編程指令有143條,并配有相應的編程軟件S-62P,不僅可以通過手持編程器對其編程。而且可以通過PC機對其進行編程輸入。該軟件還能在PLC運行時監控其運行狀況。
2.3 軟件設計
制冷系統的啟動/停止是用于制冷系統的手動啟動/停止控制。也可以通過溫度設定,依據冷負荷的需要自動開啟制冷系統。每臺設備均設有自動、手動、備用三種運行狀態,自動用于聯鎖集中控制;手動用于調試或檢修;備用狀態用于熱備用。三臺水泵二工一備。其中備用泵循環輪換,提高設備的保養率。各臺設備按工藝要求順序自動啟動/停止時,采用每臺設備啟動后經15s左右延時,再啟動下一臺設備。一是考慮水泵穩定運行有個過程,二是避免數臺電動機同時啟動,沖擊變壓器,影響供電質量。
為提高中央空調系統的經濟性、可*性及可維護性,需采用控制產品對中央空調系統的各個設備進行控制。早期的中央空調控制器多為就地式專用控制器和DDC控制器,它們具有控制功能簡單、不易聯網及信息集成度不高等缺點。隨著計算機技術、控制技術和網絡技術的發展,現在的中央空調系統都傾向于采用先進、實用、可*的可編程控制器(PLC)來進行控制。
3 PLC控制系統主要功能與特點
3.1 PLC控制系統功能說明
如空氣處理機PLC控制原理簡圖所示:
1. 當啟動空氣處理機時,PLC發出控制指令。首先開戶回風門和新風門到設定位置,然后啟動送風機,同時通過控制變頻器,從而調節風機的轉速。
2. 露點溫度與系統設定值相比較后,用PID方式調節冷水電動閥,控制冷水流量, 使送風溫度達到設定值。
3. 送風機轉速的快慢是由回風溫度與系統設定值相比較后,用PID方式控制變頻器,從而調節風機的轉速,達到調節回風溫度的目的。
4.當過濾網前后壓差超出設定值時,PLC發出過濾堵塞報警信號。
5.當空氣處理機停止運行后,新風門、回風門和冷水電動閥回復到全關位置,并關停冷水環泵。

上位機監控系統主要完成對工藝參數的檢測、各機組的協調控制以及數據的處理、分析等任務,下位PLC主要完成數據采集、現場設備的控制及連鎖等功能。除此以外,PLC系統還有如下功能:
◆ 數據顯示功能
顯示機組的運行參數,包括冷水出口溫度、冷水入口溫度、冷卻水出口溫度、冷卻水入口溫度、蒸汽壓力、蒸汽閥門開度,以及溶液泵、冷劑泵等所有屏蔽泵的運行狀態和各種故障報警的詳細信息。
◆ 歷史數據的存儲及檢索功能
對重要的數據進行在線存儲,數據的存儲時間最長為10年?梢酝ㄟ^歷史報表或者歷史趨勢曲線的方式檢索歷史數據。
◆ 控制功能
根據設定的參數,并考慮經驗運行數據,PLC應用反饋數據 (如室內溫度等)進行PID調節,以保證運行參數滿足系統要求?刂葡到y有三種運行方式:就地手動、軟手動和自動。就地手動就是通過就地手動操作設備對機組進行控制,軟手動是通過PLC對機組進行手動控制,自動則是根據編好的控制程序自動控制相關設備的啟、停及調節量。采用程序控制方式,杜絕冷劑污染,有效便捷地實現冷水、冷卻水的變頻控制。通過有效合理地開、?刂,達到啟動速度快、停機時間短的目的,即能節省能耗,還能避免結晶,從而提高中央空調系統的安全性和經濟性。
◆ 連鎖與保護功能
各機組相關設備的啟、停具有一定的連鎖關系和時間順序,該功能由PLC的連鎖程序完成。同時,為保證機組的可*運行,對相關參數采取了一定的保護措施,如冷水、冷卻水與機組的連鎖控制、冷卻水系統與冷卻塔的連鎖控制等。
3.2 系統特點
◆ 靈活性
本控制系統選用可利用公司的小型一體化PLC代替傳統空調主機控制系統中的單片機,較大程度地提高了系統配置及控制的靈活性,能更好地滿足不同用戶的不同需求。同時,明顯縮短了程序開發周期。
◆ 高可*性
PLC控制核心能夠在惡劣的環境中長期可*、無故障運行,并且易接線、易維護、隔離性好、抗腐蝕能力強,能適應較寬的溫度變化范圍,平均無故障時間間隔(MTBF)大于15年。
◆ 強大的功能
現代的PLC的編程語言遵從易學、易懂、易用的標準。除了具備傳統PLC助記符和梯形圖編程功能外,還具有結構化語言和順序功能圖編程功能。PLC提供各種功能模塊,包括各種通訊功能選擇、通訊參數設置,以及可以具體到某年、某月、某日、某個時刻的多種定時器和超長定時器等,方便了各種功能的實現,有利于縮短開發周期和節省程序容量。
◆ 優良的開放性
上位軟件Focsoft3.1支持DDE、OPC、ODBC、SQL,并提供豐富的API編程接口,方便接入其它系統。
4 控制方法
4.1
對于冷凍水系統,其出水溫度取決于蒸發器的設定值,而回水溫度取決于蒸發器接收的熱量,中央空調冷凍水出水溫度與冷凍水的回水溫度設計最大溫差為:5℃(比如:出水7℃,回水12℃),現采用在蒸發器出水管和回水管上裝有檢測其溫度的變送器、PID溫差調節器和變頻器組成閉環控制系統,通過冷凍水溫差(如:△T=5℃)控制,即可使冷凍水泵的轉速相應于熱負載的變化而變化。

冷水機組系統PLC電路控制簡圖
4.2
對于冷凍水系統,由于低溫冷凍水的溫度取決于冷卻塔的工作情況,我們只需控制高溫冷凍水( 冷凝器出水)的溫度,即可控制溫差,F采用溫差變送器、 PID 調節器和變頻器組成閉環控制系統,冷凝器出水的溫度控制在 T2 ( 如: 37℃),使冷卻水泵的轉速相應于熱負載的變化而變化。

4.3
在管道中取壓力信號采樣和溫差變送器,通過PID調節器進行優化計算,通過PLC控制變頻器,以此控制3臺水泵電機的運行,系統啟動開始工作,當第1臺電機運行至工頻狀態時,如管網壓力不夠,變頻器控制第2臺電機開始工作,若工作到工頻狀態時管網管壓仍不夠時,變頻器自動切換至第3泵使其變頻運行,第1、2臺電機工頻運行,直至管網所需管壓。當外部需求降低,管網管壓提高時,第3臺運行停止,變頻器自動切換至第2泵,使其工作在變頻狀態下若還達不到要求,再切換至第1電機,如此周而復始,始終讓系統工作在最優、最佳、最省的工作狀態。
5 系統的設計和應用總結
由于整個實驗室正在逐步籌劃和建設的過程中,許多設計還處于探討之中,眾多功能還未付諸實施。
現在本文就系統改造實現情況作簡單介紹:本文的系統調試應分為兩步,設備電氣控制系統調試和中心網絡系統調試。我們就已完成的設備電氣控制系統設計、調試及使用情況作一下說明:針對實驗室的要求:要求電氣系統運行穩定,感溫精確度高,維護方便壽命長,并能聯網進行管理。除此之外在實際使用中系統的故障報警部分設計還不夠完善,許多功能還未開發。本文經過對設備狀況和同學們對中央空調學習認識的調研,本文認為可采用三菱公司的A系列PLC作為設備的控制系統核心。它不僅具備普通PLC可編程控制器的各種優點,而且能夠利用以太網網絡模塊(B2/B5)組建MELSECNET網絡,最終達到建成先進的分布式控制系統,既實現各種設備之間的聯網,實現遠程控制和管理。
當然系統基本達到了設計的要求,它不僅具備基本邏輯控制功能,還具有聯網通信功能和管理功能等。另外相對與老的控制系統,它工作穩定、故障率低,并能進行系統自動報警,操作及維護十分簡便,維修綜合成本(待機時間等)大大降低。
6 結束語
在智能化中央空調冷凍系統中,采用PLC控制系統是切實可行的,中央空調冷凍系統用PLC控制可以有效地保證其工作穩定、可*,便于維護,且性能價格比高。 同時以PLC為核心的高可*的監控系統實現了對空調主機的控制及兩臺主機之間的協調控制,具有先進、可*、經濟、靈活等顯著特點。
參考文獻
1.《中央空調工程設計與施工》,吳繼紅、李佐周編著,高等教育出版社
2.《制冷空調自動控制》,張子慧等編著,科學出版社1
3. 三菱公司,三菱微型可編程控制器編程手冊,2000
4. 《可編程控制器原理及應用》,顧戰松、陳鐵年編著,國防工業出版社,1996
5. 肖海亮等編著,實現微機和PLC在以太網中的通信,電氣自動化,2001.5
6. 宋伯生編著,可編程控制器配置、編程、聯網,中國氣象出版社,1995.5
|