|
最近,經常有用戶反映,變頻器前端加裝漏電保護開關時遇到問題,尤其是丹佛斯變頻器,一送電漏電保護開關就會動作。本文將根據變頻器的設計原理對此問題進行深入分析,并且提出相應的解決方案。 關鍵詞: ELCB : Earth Leakage Circuit Breaker 漏電保護斷路器 RCD: Residual Current Device 剩余電流保護器
一、用電安全要求的保護
人身安全:
防止用電事故,一般是通過電器和設備的可靠制造--即通過基礎絕緣--來確保安全性。然而當基礎絕緣受到損壞時,可能引起的故障就需要有防止過高人身電流的補充保護措施。 在防止危險的身體電流時,必須區分為直接接觸與間接接觸。在間接接觸時,電氣設備上出現絕緣故障而產生的剩余電流是經過保護地線(PE線)而流向大地的。在出現故障時,如有人正好觸及含有故障的電器,則當事人就與故障回路相并聯。根據保護導線/人體的電阻比例,最大部分的電流流經保護地線。 另一種情況是,由于粗心大意而直接觸及在正常工作是帶電的部件或者觸及了外界的,不接地的導電部件,而在故障情況下又是帶電的部件。人在這里充當著保護導線的作用,剩余電流流過人體,導致觸電。
防火:
短路或接地短路,尤其當故障回路具有相當高的電阻出現在電弧位置上時,這種“不完全的”短路或接地短路就具有火災危險性。由于出現的剩余電流有時甚至遠低于前接過流保護裝置的額定電流,所以不能指望過電流保護裝置(如小型斷路器或熔斷器)來分斷這類故障。 剩余電流保護器能在這方面提供全面保護。在DIN VDE 0100-720中,對含有火災危險的工作場所,為了防止由于絕緣故障而引起的火災,已規定了下述要求:只能采用額定剩余動作電流最大為0.5A的剩余電流保護器作為預防措施。為了更可靠地防火,在實踐中大多數使用額定剩余動作電流I△N≤0.3A的剩余電流保護器。
二、普通剩余電流保護器的功能及原理 
如圖,剩余電流保護器對正常的負載電流不予檢測,但它能檢測出主回路中對保護地線PE的剩余電流(漏電流),這種電流多數是因為用電設備絕緣損壞而產生的。 剩余電流保護器的首要功能是對有致命危險的人身觸電提供間接接觸保護,額定剩余動作電流I△N≤30mA的剩余電流保護器在其他保護措施失效時,也可作為直接接觸的補充保護,但不能作為唯一的直接接觸保護。
三、變頻器產生的剩余電流
變頻器會產生相當大的對地漏電流,這是由變頻器的輸出固有電壓特性決定的。變頻器輸出的PWM電壓波形含有大量諧波,這些諧波會通過電機繞組的對地寄生電容和電機電纜線的對地寄生電容產生出對地漏電流。 上述漏電流可能會遠遠大于50mA,而實際的具體數據,將與以下幾個因素有關: 1.電機電纜線的長度; 2.電機電纜線是否有屏蔽; 3.變頻器的調制頻率; 4.是否使用無線電射頻干擾(RFI)濾波器; 5.電機是否接地。
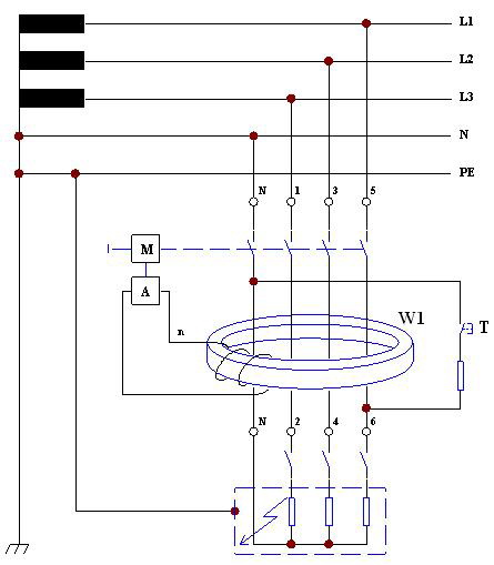
四、丹佛斯變頻器的設計特點 
丹佛斯變頻器原理圖
1. 根據圖示,丹佛斯變頻器在輸入側的相間與線地之間都設計安裝了吸收保護電容,由于丹佛斯變頻器支持內置的RFI濾波器,因此在整流單元后面也設計安裝了吸收保護電容。由圖可見,兩組吸收保護電容都接地。 2. 根據漏電保護器的原理和丹佛斯變頻器的設計可見,當變頻器送電時,主回路要對那些吸收保護電容充電,瞬間會產生相當大的對地漏電流。 3. 丹佛斯變頻器在設計上的優越性:  憑此設計,丹佛斯變頻器可以保證完全滿足EMC電磁兼容性標準EN55011 1A/1B的要求;  由于有幾組的電容保護,丹佛斯變頻器可以承受較大的來自電網的電壓突波,比如雷擊等,而不至于損壞;
五、結論:
1. 變頻器在運行時,視實際電機接線情況,可能產生遠大于50mA的漏電流; 2. 丹佛斯變頻器由于其設計中的固有特點,在送電瞬間會產生相當大的漏電流; 3. 普通剩余電流保護器不適用于保護變頻器,特別是電磁兼容性能較好的丹佛斯VLT系列變頻器。
六、適用于變頻器類負載的剩余電流保護器: 早期使用的剩余電流保護器,根據實際要求,只在正弦交流剩余電流時才脫扣。由于在工業用電設備中,三相橋式整流的電路應用日益增多,這類電路在發生故障時出現的是平滑直流型或略帶紋波的平滑直流剩余電流。
 普通交流和脈動直流敏感型剩余電流保護器并不能檢測和分斷這類直流剩余電流。因此在故障時產生這類剩余電流的用電設備只允許使用全電流敏感型剩余電流保護器。全電流敏感型剩余電流保護器,用于交流型和脈動直流型剩余電流時是采用DIN VDE0664的規定,對于平滑直流型剩余電流則采用IEC60479的規定。全電流敏感型剩余電流保護器滿足國際標準IEC60755修訂版“剩余電流動作保護裝置—B型的一般要求”。
國際電工協會(IEC)早在1992年就根據剩余電流保護器的動作特性,將剩余電流保護器分為:AC、A、B型。 AC型— 對突然施加或緩慢上升的交流正弦波剩余電流能可靠脫扣 A型 — 對突然施加或緩慢上升的交流正弦波剩余電流,脈動直流剩余電流和脈動直流剩余電流疊加0.006A平滑直流能可靠脫扣 B型 — 全電流剩余電流保護型
 全電流保護型剩余電流保護器工作原理
根據IEC60755 第二次修訂版以及德國電氣協會DIN VDE0664-100標準,B型剩余電流保護器應具備以下的特點:  在送電的瞬間不動作;  在設備長時間運行過程中,漏電保護動作值為300mA;  完全適用于剩余電流含直流分量的場合。 由此可見,B型剩余電流保護器充分考慮到了電磁兼容性變頻器的特點,很好地解決了具有三相整流裝置的電氣設備的漏電保護問題。
七、丹佛斯變頻器漏電保護的解決方案:
1. 建議采用符合IEC60755,或DIN VDE0664-100標準所規定的B型剩余電流保護器。 例如:西門子5SM系列漏電保護開關,B型,額定電流16—63A 2. 如果不具備安裝專用剩余電流保護器的條件,則可以不在變頻器前端安裝漏電保護開關。但是,為了符合EN50178安全標準,必須保證變頻器可靠接地,接地線的導線截面積要為普通接地線的2倍或至少10mm2以上,以免造成人身傷害。
中國國家標準目前還沒有單獨的B型剩余電流保護器的分類,但根據GB 6829-1995, 額定剩余電流動作的值有0.006,0.01,0.03,0.05,0.1,0.3,0.5,1,3,5,10,20A這幾個規格;用于間接接觸保護的剩余電流保護器可以延時動作,延時時間有0.2,0.4,0.8,1,1.5,2秒這幾個規格。因此可以選用額定剩余動作電流值為0.3A,動作延時0.4-1秒左右的剩余電流保護器作丹佛斯變頻器的漏電保護。
國內生產的剩余電流保護器主要型號有JD1、JD3、DBL等。其中JD1是電磁式剩余電流繼電器,額定電壓380V,額定電流200A,額定剩余動作電流為30、100mA和300mA,分斷時間不小于0.2s。JD3為電子式剩余電流繼電器,額定電壓380V,額定電流100~800A,額定剩余動作電流從30mA~1A分級可調,分斷時間分一般型和延時型兩種。一般型的分斷時間不大于0.2s,延時型的延時時間有0.2、0.4、0.8s和1s等幾種。
(在實際應用中,據說有些用戶采用完全電磁式的ELCB,額定剩余電流動作值為0.3A的ELCB,效果就不錯)。
參考資料:
[1] 中華人民共和國國家標準——剩余電流動作保護器的一般要求. GB6829-1995 [2] VLT2800系列變頻器設計指南. (MG.27.E2.02). 丹佛斯公司出版. 134—137 [3] VLT5000系列變頻器設計指南 (MG.52.B2.02). 丹佛斯公司出版. 10--12 [4] 國際電工委員會標準. IEC60755. 1992年第二次修訂版 [5] 德國電氣協會標準. DIN VDE0664-100. 2002年版 [6] 德國電氣協會標準. DIN VDE0100-720 [7] 歐洲電工標準化委員會標準. EN55011. 1A/1B
獲取更多幫助和支持,請登陸上海津信變頻器有限公司網站 www.sinodrive.com 或 www.4008886560.com 。撥打上海津信變頻器專業服務中心7/24技術支持熱線400-888-6560,隨時與我們聯系。
|