|
大連安迪伺服驅動器在全機能數控車床上的應用
摘 要:本文主要介紹大連安迪交流異步伺服、交流同步永磁伺服控制系統在全機能數控車床上的應用。
關鍵詞:伺服 全機能數控機床
1 引言
CL系列全機能數控車床是對軸類零件及盤類零件進行各種車削加工的高精度機床。隨著工業的發展,對機械零件的加工精度及表面粗糙度的要求日益提高,對車床精度的要求也越來越高。在汽車、電力、船舶、冶金、軍工、航空航天等行業,國產數控車床正在發揮著越來越大的作用。數控車床的自動化程度高低界定車床的加工效率從而決定了車床的加工規模。大連安迪數控有限公司生產的伺服驅動器在全機能數控車床上的應用為國產數控車床提供了良好的解決方案
2 全機能數控機床的特點
CL系列的全機能數控機床是具有兩軸聯動、半閉環控制的數控機床。機床具有高剛性的結構設計和吸震性,以保證高精度的切削加工。對控制進給軸X、Z軸的伺服驅動器及電機要求有高的動態響應特性及精確的定位精度,使機床的刀架移動快速、穩定且定位精度高。同時對于機床的換刀裝置也采用了伺服刀塔的設計,為快速、精確的換刀提供了保證。
對于機床的主軸,必須是高速、高剛性的主軸,有快速的啟停特性,有著高效率及低噪音的設計,這樣可以使零件的加工效率高、精度高,高速也就意味著高的生產效率。
3 系統設計
3.1全機能數控車床系統架構 (1)數控系統:采用大連數控-31T的數控系統。 (2)主軸系統:大連安迪的異步伺服驅動(ADSD-AS33-7.5K ),登奇主軸電機(7.5KW) (3)進給驅動系統:滾珠絲杠+彈性連軸器+直線滾動導軌+安迪ADSD-S系列伺服驅動系統。
nbsp;(4)換刀系統:大連安迪的同步伺服驅動器(ADSD-S23系列)
3.2伺服性能分析
對于進給軸X、Z的伺服性能的要求主要是伺服系統有較高的動態響應及較高的定位精度,。大連安迪同步伺服基于DSP+FPGA+IPM的硬件平臺,有著高速度頻率響應,速度響應頻寬為450HZ,居于國產伺服前列;具有共振抑制功能,可以精確調諧,消除震動;控制精度可以達到1個脈沖,最大的輸入頻率可以達到500Kpps,這都很好的保證了進給軸所需驅動的要求。
對于主軸伺服要求有快速的啟停特性和穩定的速度控制,大連安迪異步伺服驅動器是基于DSP+IPM的硬件控制,具有開放式的QMCL語言,可以根據用戶的使用情況進行程序的設置,電機最高轉速可達到8000RPM。
對于全機能數控車床的換刀控制,也采用了安迪的同步伺服驅動器,使用轉臺的控制功能,不需要專門的伺服刀塔控制器,即可方便的實現伺服刀塔的自動換刀及最短路徑的選擇,大大節省了數控系統中PLC程序編寫,更利于用戶的使用與維護。
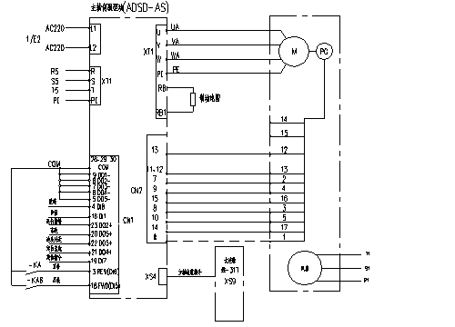
大連安迪異步主軸伺服—大連數控31T的連接圖

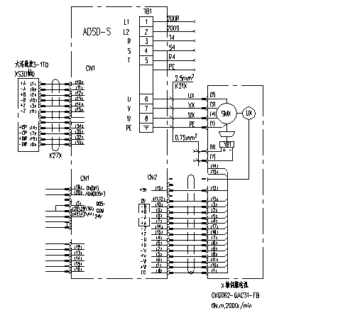
大連安迪同步伺服—大連數控31T的連接圖

4 結束語
使用安迪伺服驅動器的CL系列全機能數控車床的可以達到機床設計的性能要求:X/Z軸的定位精度為0.016/0.020 mm,重復定位精度為0.007/0.008mm,主軸可以滿足啟停迅速,運行平穩的要求。同時伺服刀塔的使用也可以大大節省換刀的時間及刀塔的換刀精度。安迪伺服系列產品安全可靠,性價比高,值得業界同行借鑒和推廣。
|