|
ARTU四遙單元在低壓智能配電中的應用
周 中1,程 青2,龔亮3,徐敏4
。1.上海安科瑞電氣有限公司,上海 嘉定 201801;2.同濟大學建筑設計研究院,上海 楊浦 200092; 3.中達電通股份有限公司,上海 浦東 201209)
摘要:針對饋線眾多的低壓配電線路,采用多功能電力監控儀表實現遙測、遙信、遙控及電能的測量管理,成本高、投資大。本文介紹一種基于ARTU四遙單元,實現對終端配電線路進行遙測、遙信、遙控、遙脈的智能配電方案。該方案具有成本低、投資少、安裝接線簡便等優點,有利于低壓智能配電的進一步推廣和應用。
關鍵字:ARTU四遙單元 低壓智能配電 應用
1 引言
隨著對生命、財產安全及電器節能管理考核的日趨重視,低壓配電需要智能監控的應用場合越來越廣泛。目前采用多功能電力監控儀表,對低壓配電回路電流、電能進行遙測,對斷路器的合閘、脫扣狀態進行遙信和記錄,并利用上位機軟件通過儀表對斷路器進行控制。雖然該方案能滿足低壓智能配電的要求,但每一饋線均需一臺監控儀表,成本高、投資大,用戶難以承受。
本文介紹在傳統的低壓配電線路上,增加ARTU四遙單元,實現對低壓配電智能化低成本的多回路監控。
2 產品特點
ARTU四遙單元包括遙測單元、遙脈單元、遙信單元、遙控單元四個規格。外觀見圖1,
此主題相關圖片如下,點擊圖片看大圖:

采用DIN35mm導軌安裝。前端帶通信指示和信號運行通道指示2組信號燈,通信有兩路RS485接口,一路用于通用參數的設置及調試,另一路用于讀取和設置“四遙”值。產品頂端設有撥碼開關窗口,可通過撥碼開關設置產品通訊地址和波特率。輔助電源有24Vdc或220Vac/dc兩種供選擇,整機功耗小于5W,防護等級達IP20。產品符合JB/T10388-2002《帶總線通信功能的智能測控節點產品通用技術條件》、GB/T7261-2000《繼電器及裝置基本試驗方法》和GB/T13729-2002《遠動終端設備》標準。
3 四遙單元的功能及應用
3.1 ARTU-M32遙測單元
3.1.1 產品功能
ARTU-M32能同時采信32路交流或直流模擬信號,如0-20mA ac、0-5V dc、4-20mA dc等模擬量,經AC/DC轉換,與上位機通訊RS485總線連接進行數據交換。32路雙色指示燈用于指示每路輸入信號的當前狀態,綠燈表示正常狀態,紅燈表示緊急狀態,黃色表示警示狀態。遙測刷新速度小于1s,精度達0.5。
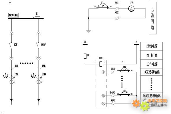
3.1.2 產品應用
以檢測16路饋線的工作電流為例,一次方案見圖2(a),電流互感器采用AKH-0.66S低壓雙繞組互感器,用于電流采集,一次側額定電流5A-6300A,二次輸出有2個繞組,一組輸出0-5A(或1A),給99T1、6L等指針表作當地顯示電流值,另一組輸出交流0-20mA,給ARTU-M32單元遠傳遙測,見圖2(b),電流測量回路通過指針表顯示各饋線回路相應的電流值,遙測回路利用通訊端口遠程集中顯示各回路電流值。
此主題相關圖片如下,點擊圖片看大圖:

3.2 ARTU-P32遙脈單元
3.2.1 產品功能
ARTU-P32遙脈單元采集32路電能脈沖信號,通過RS485總線與上位機連接進行數據交換,具有計數值掉電保護功能。脈沖寬度大于10ms,最大累積脈沖數4294967296個。上位機采集得到的電能脈沖數除以該回路電能表的脈沖常數(imp/kWh),就為該回路的電能數據。該遙脈單元還有GPS校時功能。
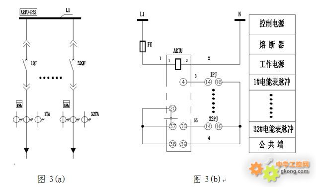
3.2.2 產品應用
以計量32個饋線電能為例,電能表采用DTM862-2型,一次方案見圖3(a),電能脈沖采集二次見圖3(b)。使用傳統的機械式電能表附帶脈沖接口,利用智能化的脈沖接收裝置實現遠程集中式抄表功能。
此主題相關圖片如下,點擊圖片看大圖:

3.3 ARTU-K32遙信單元
3.3.1產品功能
ARTU-K32可接受32路有源或無源接點,把開關量信號轉換為數字信號,經通訊實現和上位機監控系統的數據交換,32個通道掃描一周所需時間為1ms,可記錄2000組事件容量,帶GPS校時功能。
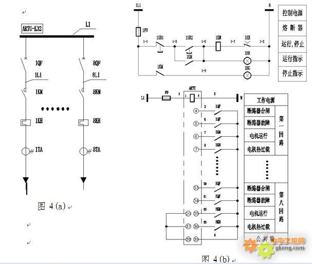
3.3.2產品應用
1臺ARTU-K32可以監控8條馬達回路或16路照明回路的工作狀態。以監測馬達回路為例,一次方案見圖4(a),由配輔助、故障觸點的NS斷路器、LC1交流接觸器、LR2熱繼電器和AKH-0.66P保護型互感器組成。每條馬達回路監測4組節點,即斷路器合閘、故障觸點,電機運行(接觸器)狀態觸點,電機熱過載(熱繼電器)觸點,1臺ARTU-K32監測8條馬達回路。見圖4(b),通過現場啟停按鈕控制馬達的運行與停車,現場紅、綠指示燈同步顯示馬達的工作狀態,遙信單元則可通過監測各元件觸點的動作值遠程顯示馬達的工作狀態。
此主題相關圖片如下,點擊圖片看大圖:

3.4 ARTU-J16遙控裝置功能及應用
3.4.1 產品功能
ARTU-J16通過RS485總線與上位機相連,作為遠程繼電器輸出模塊,用于接收計算機指令,執行系統的遙控操作或自動控制,繼電器輸出共16路,繼電器觸點容量5A/250VAC或5A/30VDC,遙控準確率100%,可記錄1600組事件順序記錄,帶GPS校時功能。
3.4.2 產品應用
以1臺ARTU-J16控制8路低壓饋線為例,CM1斷路器配電動機操作機構,一次方案見圖5(a),控制方式見圖5(b)。啟停按鈕現場手動控制各回路斷路器的合、分閘,遙控單元通過通訊接口集中控制8路斷路器的工作狀態,實現斷路器就地與遠程兩地控制的工作模式。
此主題相關圖片如下,點擊圖片看大圖:

4 應用實例
以某工程為例,需監控32條低壓饋線并組網,其中16路為照明回路、16路為馬達回路,每條饋線均需測量三相電流、電能,并進行故障記錄、防誤跳。每條饋線的A相、C相電流采用AKH-0.66S雙繞組互感器采集,32條饋線用2臺ARTU-M32遙測單元測量并遠程,B相電流默認為A相與C相的平均值;每條饋線的電能計量采用DTM862-2電度表,用1臺ARTU-P32采集電能脈沖信號,并將數據上傳,實現電能無人抄表。用1臺ARTU-K32監測16路照明回路開關狀態,2臺ARTU-K32監測16路馬達回路工作狀況,并實現事件記錄。用4臺ARTU-J16控制32條饋線的斷路器防誤跳,1臺ARTU-J16控制16條馬達回路的接觸器,控制馬達運行狀態。
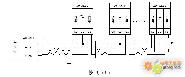
當多個ARTU組網使用時,最后一個的RS485的A和B端子上應并接入一個終端匹配電阻R,以保證通訊阻抗匹配,終端匹配電阻一般在120Ω-10kΩ之間,布線不同終端匹配電阻可能會不同。正確接入RS485總線,并連接至上位機。上位機根據模塊的站號和波特率,按規約格式下發命令。此時模塊的通信指示燈閃爍,表明模塊已收到上位機命令并應答,即通訊已經建立,見圖6。
采用該方案的硬件成本如下:64只AKH-0.66S雙繞組電流互感器,約增加成本10560元,2臺ARTU-M32遙測單元,成本7200元,1臺ARTU-P32遙脈單元成本為3500元,3臺ARTU-K32遙信單元,成本10500元,5臺ARTU-J16遙控單元成本19500元。32塊DTM862-2成本為8000元。如果使用智能化的網絡儀表來實現以上功能,需要選用ACR210E(測量三相電流及有功電能,帶通訊接口)配2DI/2DO(2路遙信2路遙控)的方案,馬達回路由于需要監測的參數較多,需要配4DI/4DO(4路遙信4路遙控)的開關量模塊,32只此款儀表成本85760元,相比第一種方案增加成本44.7%。 :

5 結束語
2007年12月,國家繼電保護及自動化設備質量監督檢驗中心對ARTU四遙單元產品性能指標、電磁兼容、通訊規約進行測試檢驗,符合相關要求。該產品已在青海油田供水供電公司、蘇州稅務大廈、內蒙古鑲黃旗林煤礦等工程配電監控系統中得到應用,降低了投資成本,產生了較好的社會和經濟效益。
參考文獻
[1]上海安科瑞電氣有限公司.ARTU四遙單元安裝使用說明書,200807版.
[2]任致遠,周中.電力電測數字儀表原理與應用指南,中國電力出版社,2007
聯系人:嚴佳 電話:13820155025/02169158313 傳真:69158125 郵箱:yj2421@126.com
|