|
摘 要:吉林市自來水公司第三水廠擴建后,在可以預見的十年內,水廠供水能力必然有較大的冗余量。采用高壓變頻調速,能夠滿足未來十年供水量的頻繁變化與調節,確保供水的實效性與經濟性兩個指標的有效統一,實現了高效節能環保與穩定生產的可控動態平衡。
關鍵詞:高壓變頻器 高效節能環保
隨著人口的增長和經濟的發展,吉林市自來水公司第三水廠在原有十萬噸日供水能力的基礎上,擴建至二十萬噸,以適應吉林市未來十年或更長時間經濟社會人口的發展水平。取水泵房原配備的355kW/10kV水泵4臺以及供水泵房配備的 560kW/10kV水泵3臺,全部定速運行,由于日夜供水差異較大,需要調節閥門開度或倒開大小水泵。這樣水泵頻繁啟停帶來的沖擊,會引起電機、水泵、閥門故障率增加,維修費用加大,同時對管網也有很大沖擊。因此采用傳統調節閥門開度控制流量和壓力的方式,必然會造成大量能源浪費。通過綜合調研,我公司決定對新擴建部分采用利德華福生產的大功率變頻器進行自來水流量及出廠水的恒壓控制,從而實現降低能耗、節約成本、提高供水質量,達到自動化水廠的生產需求。
一、自來水生產工藝流程介紹
現將自來水廠水處理工藝流程簡述如下:
圖1 自來水廠水處理工藝流程
首先要選好合適的水源和取水口,用管道輸送至一級泵房(取水泵房)并在一級泵房前加氯以殺滅藻類、植物和貝類動物。再通過一級泵房將水送至廠內處理系統中。通常經過混合(在水源水中加入適量的氯化鋁,俗稱礬)、反應、沉淀、過濾、消毒等處理工藝,每一工藝配以相應的構筑物(如沉淀池、濾池、清水池等),濾后消毒一般是加氯和氨,投加了消毒劑的水經清水池、并在池內停留一小時左右就成為合格的飲用水,再經過二級泵房(供水泵房)加壓輸送到城市管網中,供生活飲用和生產使用。
二、高壓變頻器的應用方案
根據我公司在城市供水行業實際應用的成功經驗,為確保供水系統的穩定性、安全性和經濟性,供水泵560kW/10kV選用HARSVERT-A10/045帶手動一拖二旁路的變頻器。它采用直接“高-高”形式,單元串聯多電平拓撲結構,每相由8個功率模塊串聯而成,經過多級移相疊加的整流方式,消除了大部分由獨立功率模塊引起的諧波電流,大大改善網側的電流波形,實際測量后網側電流近似為正弦波,不用更換原來的電機和電纜,完全適合舊設備的改造。取水泵355kW/10kV選用HARSVERT-A10/030原設計采用一拖一運行方式,經過半年多運行來看,取水開一臺變頻機組就能滿足工況要求,另外考慮取水泵定期倒車只能開工頻機組,所以我公司決定將原有一拖一運行方式改為一拖二運行方式,這樣兩臺變頻機組就可以交替運行,非常經濟。
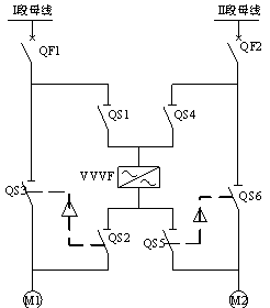
下面是一拖二手動旁路的基本原理(見圖2),它是由六個高壓隔離開關QS1-QS6組成。其中QS1和QS4,QS2和QS5有電氣互鎖;QS2和QS3,QS5和QS6安裝機械互鎖裝置。

圖2 一拖二手動旁路柜原理圖
如果兩路電源同時供電,M1工作在變頻狀態,M2工作在工頻狀態時,QS3和QS4、QS5分閘,QS1、QS2和QS6處于合閘狀態;M2工作在變頻狀態,M1工作在工頻狀態時,QS1和QS2、QS6分閘,QS3、QS4和QS5處于合閘狀態;如果檢修變頻器,QS3和QS6可以處于任一狀態,其它隔離開關都分閘,兩臺負載可以同時工頻運行;當一路電源檢修時,可以通過分合隔離開關使任一電機變頻運行。
三、恒壓供水系統原理
由于吉林市自來水公司第三水廠是新擴建工程,用水負荷需要在實際運行時進行精確調整和測量,因此我廠采用的是恒壓供水系統,其工作原理如圖3所示,測量元件為德國E+H公司的壓力傳感器,將它設在水泵機組出水口,Vi為恒定供水壓力設定值,供水壓力V作為輸出量,構成閉環控制系統。變頻器內部的PLC采集供水壓力值V與用戶給定值Vi進行比較和運算,通過PID進行調整,將結果轉換為頻率調節信號送至變頻器,直至達到供水壓力的給定值Vi。不管系統供水流量如何變化,供水壓力值V始終維持在給定壓力值Vi附近。

圖3 恒壓供水系統工作原理框圖
(1) 在PID控制中,比例增益P加大,會使系統的動作靈敏,速度加快,P偏大,振蕩
次數加多,調節時間加長。當P太大時,系統會趨于不穩定。若P太小,又會使系統的動作緩慢;
(2) 積分I的作用主要是消除系統的靜態誤差。但過強的積分作用使供水系統超調加大,甚至引起振蕩。所以在調節過程初期,應減弱積分作用,防止產生積分飽和現象;而到過程后期,應適當增強積分作用,以提高控制精度;
(3) 微分D的作用主要是改善供水系統的動態性能。增大微分時間,有利于加快系統響應,使系統超調量減小,穩定性增加,但抑制外擾能力下降。所以微分時間常數應該在供水系統控制要求的前提下而隨機改變。即在調節過程初期,應加大微分的作用,以減小超調;在調節過程中、后期,應不斷減小微分時間,以增強系統的抗干擾能力,同時還可以縮短調節時間。
我廠變頻器在運行初期,供水系統采用恒壓閉環控制,運行中發現運行頻率曲線呈鋸齒波,上下波動幅度較大,因此對PID系數進行調整,將P由1改為0.01、I由4改為20。通過幾次逐步調整,現運行曲線較為平緩,波動幅度相當小。變頻器根據偏差相應調節PID的參數,當運行參數遠離目標參數時,調節幅度加快,隨著偏差的逐步接近,跟蹤的幅度逐漸減小,近似相等時,系統達到一個動態平衡,維持供水系統的恒壓穩定狀態。
四、變頻器的運行情況:
三水廠取水泵采用開環運行方式,根據清水池水位手動調節頻率,一般頻率運行在38Hz-45Hz之間。
三水廠供水泵采用閉環運行方式,運行參數如下:
|
運行時間 |
運行壓力 |
運行頻率Hz |
輸入電流A |
輸出電流A |
輸入電壓V |
輸出電壓V |
|
5:00-9:00 |
0.38 MPa |
48.75 |
29.3 |
32.0 |
10.7 |
10 |
|
9:00-16:00 |
0.36 MPa |
42.74 |
13.8 |
19.4 |
10.7 |
8.9 |
|
16:00-22:00 |
0.38 MPa |
49.46 |
32.2 |
34.0 |
10.7 |
10 |
|
22:00-5:00 |
0.28 MPa |
35 |
5.8 |
14.5 |
10.7 |
7.5 |
通過測試發現變頻器運行在37Hz及以下機泵不出水,所以我們把最低頻率限制在38Hz。在日常運行中,早上4點加開一臺工頻機組,當變頻器頻率達39Hz左右,關閉工頻機組,只運行一臺變頻器;在下午16點用水高峰時,再加開工頻機組。這樣合理開關車既滿足了出廠水壓力,同時又節約了大量能源。
五、系統應用效果:
水泵電機采用高壓變頻器進行調速運行后,在有效的調速區段內運行十分平穩,與原來全部工頻電機運行相比,由于變頻器對電機實現了柔性啟動,啟動電流大大減小,對機組沒有任何沖擊,相應延長了設備的使用壽命,大大減輕了維護工作量,減少了維護成本。
變頻器有效的水壓閉環控制功能,使水壓調節平滑可靠,轉速無波動。電機與多功能閥門聯動,只要給定頻率,電機啟動,多功能閥自動開啟,使得開關機組變得簡單。
變頻器投入運行后,由于電網側功率因數提高到0.96以上,在各種負荷下,電網側電流大大下降,電機的無功電流由變頻器直接補償。
節能方面,我廠進行了測試:在同種工況下,采用單臺機組電度表分別計量的方式,單臺機組節電率達32%,這么高的節電率加上合理開關機組,我廠每年將節電100萬元。
三水廠取水、送水變頻器正式投產以來至今,連續運行近兩年,為水廠正常供水提供了強有利的保障。HARSVERT-A變頻器具有免維護的特點,只需每個月更換柜門上的濾網。變頻器的應用降低了系統對管路密封性能的破壞,延長了設備的使用,同時維護量減小很多,提高了系統的自動化程度,節約了大量電能和水資源,切實響應了國家節能降耗的號召。
參考文獻
[1].高壓變頻調速系統HARSVERT-A系列技術手冊 北京利德華福電氣技術有限公司
[2].諸 靜.模糊控制原理與應用.機械工業出版社,1995,P338~355.
作者簡介
吉林市自來水公司三水廠技術室 劉晶
北京利德華福電氣技術有限公司技術工程部 晏鹍
|