|
安迪ADSD-S同步伺服在三軸全自動繞線機上的應用
一、 前言
該繞線機采用全伺服馬達及高精度直線導軌和滾珠絲桿控制,系統采用眾為興CNC觸膜屏全中文介面,實現無人操作24小時生產,能與全自動化生產線及無人車間兼容配套。本機適用于各類型高精度音圈(跑道型,方型)、各類型粗細線自粘線圈(激光頭線圈、硬盤線圈、IC卡線圈、產品標簽線圈、讀寫卡線圈、傳感器線圈、振動馬達線圈,太陽能搖擺線圈、貼片型線圈,多線并繞線圈及各種高精密異形線圈。滾珠絲桿主軸X馬達功率伺400W,排線Y馬達功率伺服400W,尾座軸Z馬達功率 伺服400W 每小時產能600 PCS/H(每層30圈,2層)。

二、 三軸繞線機的結構
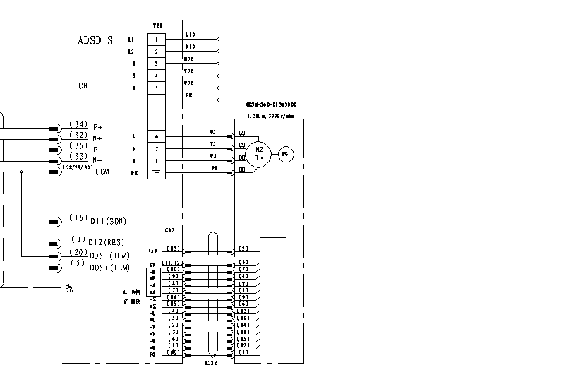
三、 控制方案

四、 調試及參數
三個軸的特性及要求簡介
三軸繞線機三個軸分別為:排線電機、繞線電機(主軸電機)、尾座電機。要求分別如下:
繞線軸:慣量和負載較大,電機最高轉速為3000轉,對應主軸轉速為3600轉(升速比為32:26)。
尾座軸:控制線圈的寬度,精度要求為1絲以內。動作順序為,尾座向前,撞到金屬立柱后,轉矩增加至設定數值(H01/02設定值),以此作為基準,尾座后退。這個軸精度要求最高。因為上位機系統為開環,尾座撞到立柱后,脈沖依然在增加,伺服驅動器電流環需迅速響應,然后后退,保證每次后退的距離準確。
排線軸:將線圈排成要求的節距,屬于三個軸中要求較低的一個。
參數列表
|
大連安迪交流同步伺服選型和相關參數設置 |
|
軸 |
排線軸 |
繞線軸 |
尾座軸 |
|
伺服驅動器 |
ADSD-S23-0.4K |
ADSD-S23-0.4K |
ADSD-S23-0.4K |
|
伺服永磁電機 |
ADSM-S60-013M30 |
ADSM-S60-013M30 |
ADSM-S60-013M30 |
|
B00 |
1 |
1 |
1 |
|
B01 |
2 |
2 |
2 |
|
B02 |
30 |
25 |
2 |
|
B03 |
17 |
8 |
1 |
|
B10 |
25 |
35 |
25 |
|
B20 |
0 |
0 |
0 |
|
B36 |
70 |
120 |
70 |
|
H01 |
2500 |
2500 |
1800 |
|
H02 |
DA00 |
DA00 |
E800 |
|
Y13 |
969 |
969 |
969 |
|
Y18 |
65364 |
65364 |
65364 |
|
L05/L06 |
40 |
40 |
40 |
調試注意事項
1.H01/H02的調整。該繞線機最關鍵的就是尾座電機的轉矩限制參數,轉矩過大造成機械損壞,并且響應過慢;轉矩過小造成電機特性不好。同時繞線軸對于啟動轉矩也有限制,防止啟動轉矩過大對工件沖擊。
2.B02/B03的設置。根據現場要求,尾座和排線精度為1絲/脈沖,根據絲杠螺距設置尾座軸即可;但是排線軸涉及到排線寬度控制,原位開關為感應開關,有一定誤差,需根據實際排線寬度計算設置該值。繞線軸根據上位機1轉/3200脈沖的設置即可。
3.B10參數的設置。尾座軸B10參數不可設置過小,容易造成線圈寬度不準確。排線軸B10參數需合理設置,防止電機剛性過高震動,并保證初次排線和后續排線的精度差距。
4.B36參數的設置。根據現場慣量的不同,設置即可,避免電機震動。
五、 結論
安迪伺服在三軸自動繞線機上的成功應用,完全滿足了客戶的要求性能,降低了客戶的成本。同時具備了在音圈繞線機市場推開的條件。
|