|
引言 電子技術的日益發展,通訊接口給工業控制的自動化集中控制帶來巨大的變化,系統的分布控制,網絡的遠程監控等都是通過通訊來實現監控。各個智能設備之間要進行正常通訊,首先要保證以下3個條件一致:通訊硬件界面相同;通訊參數設置一致;以及通訊協議一致。在串口的通訊中,界面都已經是標準化,參數設定亦可透過設定來保持一致。但在智能自動化設備中,由于品牌和產品都存在差異,對于同一種產品,不同的品牌就可能存在不同的通訊協議!所以,智能設備的通訊,設備的選擇是關鍵!但針對同種協議的產品,就有可能縮小設備選型范圍,勢必會對系統的組成存在影響。如造成成本的提升,系統得不到優化等問題。 現就針對通訊協議,介紹永宏PLC的自由口通訊協議做介紹。即通過自由協議,可以跟任何一個智能設備進行連接,進行數據的傳輸。大大方便了技術人員的選型,更有利控制系統的優化,性價比的提升!
1. 系統硬件要求
1.1 永宏FBs-PLC通訊功能 永宏FBs-PLC提供相當強大的通訊功能,SoC單晶片中集合5個高速通訊端口。主機自帶一個通訊端口。多樣的擴展方式,可以選擇通訊模塊或者通訊板實現通訊端口的擴展,單一主機可以最多擴展至5個通訊端口;數據傳輸可以選擇ASCII碼或者速度快一倍的二進制碼來傳輸;每個通訊端口通訊速率高達921.6Kbps;支持RS-232,RS-485,USB和Ethernet等界面;通訊協議提供永宏標準通訊協議,工業界通用的ModBus標準協議,以及自由口協議。這里我們就永宏PLC的自由通訊協議做進一步探討。 1.2 永宏PLC自由通訊協議簡介 所謂自由通訊協議,永宏PLC作為主站,根據通訊的從站設備通訊格式來編寫通訊傳輸數據格式,以保證通訊格式的一致性。在符合從站設備的數據格式時設備才能識別主站發送出來的命令要求,再根據命令來進行處理數據、做響應回復等工作。這樣將大大提高PLC控制對象的通訊接口兼容。

圖1.1 RS-485單主多從通訊示意圖
如圖1.1所示,一個永宏PLC可以跟多個智能從站進行通訊;智能從站可以同為一種設備不同品牌,或者不同設備不同品牌,例如其他品牌的PLC、變頻器、智能儀表等,只要符合RS-485通訊要求即可組網。
[:page:]2. 軟件系統要求與設計
2.1 串行口通訊協議格式 在串行通訊中,數據的格式一般如下圖所示:

圖1.2 串行口一般通訊數據格式
在協議中,一些通訊協議要求命令請求碼,一些則不需要;從起始符到結束符,格式都相似。 起始符:表示通訊命令的開始, 常用02H表示。 地址:從站設備的地址, 范圍在“00H~7FH”。 功能碼:從站設備所規定的功能碼,以響應主站的作動要求。 數據:根據命令碼執行的數據區。 校驗:為保證數據的準確可靠的通訊,協議中都設定校驗碼。常見的校驗有CRC,CHECKSUM。 結束符:表示一筆通訊命令的完成。通常使用03H表示。 在所使用的設備中會,做相關的協議規定和參數說明,所以我們只要依照設備的通訊格式編寫通訊命令,請求從站執行命令,并根據主站是否要求做相關的回應,來完成響應。下面,我們會以與士林變頻器通訊為實例,做相關的介紹。
2.2 永宏PLC端軟件設計
永宏PLC在通訊編程方便提供相當便利的指令和編程方法。在指令方式,使用一個功能指令配合通訊表格,即可完成通訊命令。下面就對指令與表格編輯做相關介紹。永宏PLC提供兩個通訊指令FUN150和FUN151,其中FUN150用于ModBus協議通訊用,這里就不做介紹,詳細請參考《永宏PLC使用手冊》介紹。FBs-PLC可由Por t 1、2、3 或4等四個通訊端口來作永宏多臺CPU LINK聯機或與具有RS-232/RS-485通訊接口的智能型外圍通過通訊方式作聯機整合應用。 FUN151(CLINK)通訊聯機便利指令可指定那個通訊端口以何種工作模式運作共有Mode 0~ 3 四種工作模式, 其中的Mode 3 模式為〝高速LINK 網絡〞模式只允許Port 2使用,其余都為“一般LINK 網絡”,下表是高速LINK 與一般LINK 指令模式的差別說明。

2.3 FUN151(CLINK)通訊聯機便利指令
FUN151通訊指令梯形圖符號如下:

圖2.1 FUN151指令符號
說明: EN:執行控制輸入 PAU:執行暫停輸入 BAT:通訊放棄輸入 ACT:通訊正執行中輸出 ERR:通訊出錯指示輸出,可以在監視中查找對應的錯誤碼。 DN:通訊正常完成指示輸出。 [:page:]另外還有通訊端口的特殊繼電器和特殊寄存器,簡單介紹如下。

我們針對文章內容,介紹一下MD1模式的工作。對于MD2模式,主要是當要求永宏PLC被動接收其他設備后再做響應時使用,若只做接收不回應,則就不需要該模式,所以我們重點講一下MD1的工作原理。
2.4 FUN151(CLINK):MD1 通訊聯機便利指令(自由協議主動模式) FUN151(CLINK):MD1 模式提供永宏PLC 主動與具有RS-232/RS-485 通訊端口的智能 型外圍設備聯機;通訊格式由WinProladder程序編寫,必須與所要聯機的通訊設備一致,才能成功聯機。
2.4.1 MD1操作數SR 的說明 SR:數據傳送表格的起始寄存器。即與FUN151指令中的SR對應,例如SR填寫“R5000”時,則RS+0就為R5000,而RS+1即是R5001,以此類推。

說明:1.在選擇“只傳送”模式時,接收信息的起始符+結束符無意義; 2.在使用“傳送后接收”時,要設定好起始符和結束符,以保證通訊接收無誤,通訊程序也簡單有效; 3.當接收回應信息時,接收完畢后CPU將計算總接收數據的長度,填到WR+8寄存器。
2.4.2 MD1操作數WR的說明 WR:通訊指令運作占用寄存器,具體寄存器作用如下所示。

[:page:]2.4.3泛用通訊表格的編輯 在SR的寄存器空間,對應的建立一個通訊表格,在表格中依照從站設備的通訊協議,編寫通訊數據;這樣很直觀,很有效率就能完成從站設備通訊數據的編寫。當然,用戶可以對寄存器做好各項運算后,對應的填寫正確數值,也能完成通訊命令的編寫。例如SR+1為R5001寄存器,假設設備的起始符為02H,結束符為03H,可以直接將數據“0203H”往5001里面送.但當中運算、數據轉換等的計算較表格,比較復雜,建議還是采用表格編寫。 在WinProLadder程序的專案管理窗口中的“泛用通訊表格”標簽上,點擊右鍵來建立一個表格;或者可以選擇FUN151指令,然后按“Z”建來建立。通過這樣的操作后,會彈出“自由通訊表格”的編輯框,如下圖所示。

圖2.2自由通訊表格
此時的表格類別固定為“泛用通訊表格”; 在表格名稱中給表格起名稱“自由口通訊”;不能重復。 起始地址輸入與FUN151的SR起始地址一致(若是使用“Z”時,則自動為SR的起始值”)。 表格容量設定一般為動態分配,這樣在添加命令時系統會自動分配空間;使用空間也不能與程序其他地方重復使用。 另外在連接PLC后,“資料由PLC加載”和“資料由ROR加載”才能生效;即表示表格資料將從PLC中提取上來。在完成上面的設定以后,表格即完成建立。

圖2.3自由通訊表格
在通訊模式中,選擇“只傳送”或者“傳送后接收回應”;即與SR中的SR+0相對應。 起始碼和結束碼:設定接收信息的起始符和結束符;與SR中的SR+1對應。 在“通訊命令表格編輯”中,即要依從站設備通訊協議規定的數據格式來輸入命令。通訊傳送的是ACSII碼,命令可以使用十進制、十六進制和字符來表示;在要用字符表示時,要使用“’”單引號引起來,表示字符的ACII碼。接下內容,我們以實例應用來介紹自由通訊口的MD1主動模式的應用。
[:page:]3. 自由通訊協議的應用
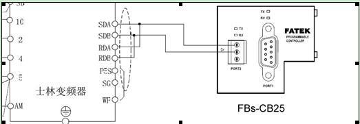
3.1 永宏PLC與士林(SS系列)變頻器通訊 3.1.1硬件配置 士林變頻器提供的是RS-422/485的通訊界面,在這里永宏PLC端增加一塊FBs-CB25來擴充一個RS-485的通訊界面。硬件上配線如下圖所示。

圖3.1永宏PLC與士林變頻器通訊配線圖
另外在FBs-CB25端,請設定終端電阻的撥動開關到”O”狀態,表示使用終端電阻。 變頻器端的通訊參數設定 控制方式來源:1(Pr31)為通訊控制 波特率:;9600(Pr32); 站號:1(Pr36); 數據位: 8BIT(Pr48); 停止位:1停止位(Pr49); 校驗:無校驗(Pr50); CR校驗(Pr51) 將波特率、停止位、數據位、校驗設定與PLC端的Por2口一致,其他參數根據需要做調整。
3.1.2士林變頻器通訊協議

○1上位機通訊請求; ○2等待時間 ○3變頻器回應數據 ○4上位機處理時間 ○5上位機回復數據 3.1.3變頻器通訊數據格式 1, 上位機至變頻器通訊要求(我們針對內容只介紹格式A:寫資料至變頻器。其他從略)。

2, 資料寫入時,變頻器回應數據格式

其中句柄說明(ASCII CODE) STX----H02 ETX----H03 ENQ----H05 ACK----H06 CR-----H0D NAK---H15 LF------ H0A 另外,SUM-CHECK計算范圍為:從站號開始到資料的的低字節結束數據的ASCII碼總和;取低字節部分。計算范例如下:

其他通訊格式請參考士林變頻器使用手冊。
[:page:]3.1.4通訊控制字

依據以上通訊協議規定,可以得到控制變頻的運行和停止控制命令如下。
3.1.5 PLC程序輸入 正轉命令 :當FAH的資料為“2”時變頻器正轉。數據格式如下:

停止命令 :當FAH的資料為“0”時變頻器正轉。數據格式如下:

根據以上的命令 在軟件中編寫程序如下。
程序部分:

圖3.2永宏PLC通訊程序示意圖
表格部分:

圖3.3永宏PLC通訊表格示意圖
從R5003開始到R5015,共有13個寄存器,則系統將自動將數據長度13填寫到R5002中:“0DH”(ASCII碼)。 另外通訊數據的校驗碼,可以通過拖選“資料預覽”中的數據范圍來計算。如該正轉命令的數據校驗總和值為R5004~R5012,在拖選中該范圍后,表格底下的“總和值(字節)=”將計算得到“D9”。
[:page:]3.1.6 PLC程序執行 到這,控制變頻器正轉命令編輯完畢。這樣,我們運行PLC。將M1接點至ON后,PLC將通訊數據送達變頻器。此時,變頻器將正轉運行!同時變頻器將向PLC回應數據到WR中。回應數據如下:

4. 結束語 綜上,我們就自由通訊的主動模式做了介紹,由于篇幅問題,請讀者自行測試控制變頻器停止命令,以及自由通訊的MD2被動模式,請客戶自行參考永宏PLC相關使用手冊的介紹。永宏PLC強大的通訊能力,便利的編程方法,幾乎可以兼容所有智能通訊設備。極大程度的提高可編程控制器的接口兼容性,使得客戶在選型、系統配置上大大的提供便利性。
參考文獻: [1] 永宏可編程控制器使用手冊I 和使用手冊II.臺灣永宏電機股份有限公司 [2] 永宏PLC編程軟件使用手冊.臺灣永宏電機股份有限公司 [3] 士林變頻器SS系列使用手冊.蘇州士林電機有限公司
作者簡介: 孫恒孝(1980- ),畢業于合肥工業大學自動化系 主要從事PLC行業的技術支持與行業應用工作 聯系方式:范堤商貿(上海)有限公司 021-66315471
|