|
|
|
The Application of LEM Sensor in Detection and Protection Circuit of Inverter 李 珂1 侯傳晶2 張承慧1 (1山東大學控制科學與工程學院 濟南 250061) (2中國石油大學(華東)信息與控制工程學院 東營 257061) 摘要:隨著不同工藝場合對現代通用變頻器性能需求的不斷提高,其控制和保護電路對檢測反饋信號的要求也越來越高。LEM傳感器具有測量頻率范圍寬、反應速度快、準確度和線性度高等特點。本文介紹了LEM傳感器原理、特性及其在通用變頻器檢測及保護中的應用,給出了由LEM傳感器組成的幾種檢測與保護電路。這些檢測與保護電路可直接用于變頻器的設計和實現,使用效果良好。 關鍵詞:LEM傳感器 變頻器 檢測與保護 1 引言 在通用變頻器中,檢測電路的主要作用是將變頻器和電動機的工作狀態反饋至微處理器,并由微處理器按照規定的算法處理后為各部分電路提供控制信號或保護信號,以達到控制變頻器輸出和保護變頻器及電動機的目的。用于采集反饋信號的傳感器性能和精確程度,很大程度上決定了控制系統的品質,測量精度的提高將可能提高整個系統的控制性能。因此,各種信號的傳感器是變頻調速系統的重要組成部分,它相當于系統的“眼睛和觸覺”。 隨著現代工業的不斷進步,不同場合對通用變頻器的性能要求有所不同,但均體現出了高性能化的趨勢。如新一代的高性能矢量控制變頻器具有極強的功能,能實現快速動態響應,而它的實現依賴于變頻器各檢測電路中的傳感器的性能。傳統傳感器在某些場合下已無法勝任,LEM傳感器的作用與傳統的電流互感器相同,它將普通互感器與霍爾器件、電子電路有機結合起來,既有普通互感器測量范圍寬的特點,又有電子電路反應速度快的優點,它在通用變頻器檢測與保護電路中的應用有助于提高調速系統的控制性能及可靠性。
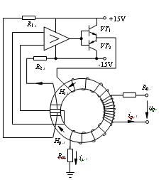
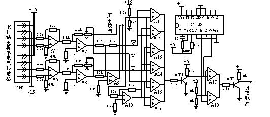
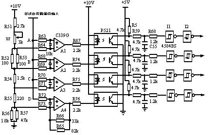
2 LEM傳感器的工作原理及特性 2.1 LEM電流傳感器 LEM電流傳感器是利用霍爾效應的閉環電流傳感器,是一種模塊化的有源電子傳感器,它把普通互感器與霍爾器件、電子電路有機地結合起來,既發揮了普通互感器測量范圍寬的優勢,又利用了電子電路反應速度快的長處,可以對直流、交流、脈動電流進行測量。圖1是LEM電流傳感器的原理圖。 圖1 LEM電流傳感器原理圖 LEM模塊的工作原理是磁場平衡式的,即通過次級線圈的電流所產生的磁場補償被測電流所產生的磁場,使霍爾器件始終處于檢測零磁通的工作狀態。其具體工作過程為:當被測回路有電流(ip)流過時,在導體周圍產生一個強磁場,這一磁場被聚磁環聚集,并作用于霍爾器件輸出一信號,這一信號經放大器放大并輸入到功率放大器中,這時相應的功率管的導通壓降改變,從而獲得一個補償電流(is),流經多匝導線產生一磁場(Hs),由于其與被測電流所產生的磁場(Hp)方向相反而使霍爾器件輸出的信號逐漸減小,最后當is所產生的磁場與ip所產生的磁場相等時,is不再增加,這時霍爾器件就達到了零磁通檢測。上述平衡過程是在極短的時間內完成的,是一個動態平衡過程,即被測電流任何變化都會破壞這一平衡磁場,而一旦磁場失去平衡,霍爾器件就會有信號輸出,經放大器放大后,立即有相應的電流流過次級線圈進行補償,因此,從宏觀上看,次級補償電流的安匝數在任何時間都與主電流的安匝數一樣。在實際應用中,可通過測量電阻Rm(通常為外接)上的電壓間接求出被測電流的大小。  圖2 LEM電壓傳感器原理圖 由以上工作原理可知LEM電流傳感器實質是一個“電流—磁—電壓”變換器,其作用與傳統的電流互感器基本相同,與普通傳感器相比較,它又具有許多自身的特性和優勢。它有良好的輸入輸出間電隔離,原級電路與次級電路之間的絕緣電壓一般為2~12kV(特殊要求下可達20~50kV),可以有效地保護副邊的測量設備和人身安全。傳感器內部采用閉環結構,可以不失真地傳遞從0Hz(直流)至100kHz頻帶內的任何波形電流,響應速度快(小于1ms)。跟蹤速度di/dt高于50A/ms,而普通互感器響應時間為10~20ms,不能滿足系統對諧波進行實時檢測并補償的要求。因為是補償式測量,所以具有很高的準確度和線性度。測量精度優于1%原級額定電流,其線性度優于0.1 %。另外,由于傳感器磁路幾乎是零磁通工作,動態變化時又是快速補償,所以傳感器是無電感性器件。它的過載能力強,當原邊電流超負荷時,模塊達到飽和,可自動保護。LEM電流傳感器著這些特性已經使其已成為電流檢測的主力。 2.2 LEM電壓傳感器 LEM電壓傳感器工作原理與其電流傳感器相似,也是一種應用霍爾原理的閉環電流傳感器。與應用LEM電流傳感器有所不同的是,用電壓傳感器測量電壓時,應在傳感器原邊回路上串聯一外部電阻(R0)。所串聯的外部電阻的大小是由用戶根據原邊電流與被測電壓成一定的比值來確定的,LEM電壓傳感器的原理如圖2所示,具體工作工程不再贅述。 LEM電壓傳感器具有精度高、線性度好、低溫漂、抗外界干擾能力強、共模抑制比高、反應速度快、頻帶寬等特點。 3 LEM傳感器在通用變頻器檢測與保護中的應用 在通用變頻器中,檢測電路把變頻器和電動機的工作狀態反饋至微處理器以控制變頻器輸出,而保護電路則是變頻器安全可靠運行的“生命線”,其主要作用是檢測信號判斷變頻器本身或系統是否出現了異常。保護電路的主要任務是完成瞬時過電流、對地短路、過電壓、欠電壓、變頻器過載、散熱片過熱、控制電路異常等多種保護。下面介紹LEM傳感器在變頻器檢測與保護中的應用。  圖3 通用變頻器用電流檢測及過流保護電路 3.1電流檢測過流保護電路 變頻器電流檢測信號可以用于電機的轉矩和電流控制以及過流保護。其檢測方法主要有直接串聯取樣電阻法,電流互感器法等,考慮到控制性能的要求,此處選用基于LEM電流傳感器的方法。變頻器驅動的負載―電動機不同于其它負載(如電熱爐、電解、電鍍等),它是將電能轉換為機械能的裝置,既有電氣行為又有機械旋轉運動,電機啟動帶來的電氣和機械沖擊問題歷來是工程師們關注的焦點,無論是電氣絕緣破損還是機械故障都可能使變頻器因過電流而損壞,過電流故障從來就是變頻器最常見的故障,也是損壞變頻器最主要的原因。輸出短路、電機繞組破損、機械負載堵轉、電機加速過快、開關器件失效、干擾造成的誤導通等都能導致變頻器過電流。 過流保護最簡單的方法是熔斷器保護法,但這種保護動作慢,不能實現快速保護,尤其是不能直接保護IGBT、MOSFET等熔通達時間小的高性能器件。因此須配置電子式保護電路,其結構組成主要包括電流檢測、過流處理和封鎖開關管脈沖等幾個部分。 圖3給出了變頻器的電流檢測及過流保護電路。其工作原理為:U、V兩相電流檢測信號來自輸出端的LEM電流傳感器,經首級運放A6和A5放大后送入二級運放A8和A7。這兩相電流通過A9疊加獲得W相電流信號,然后獲取的三相電流信息送控制器實現調速策略。每一相電流輸出到兩個比較器,比較器正反相輸入端的參考電壓分別為+10V和-10V。當三相電流正常時其對應的電壓在±10V之間,六個比較器相與后輸出為1,此信號經三極管反相后送入由多諧振蕩器D4528組成的單穩態觸發器,-Q輸出為0,比較器A17、A18輸出信號也應為0,保護電路不動作。一旦過流,比較器相與后輸出信號為0,D4528 的輸入信號(5腳)為1,其輸出經單穩延時后才變為1,通過三極管VT2放大后去關閉IGBT的驅動信號并通知CPU發出過電流報警信號。單穩態觸發器的作用是避免一些干擾信號或瞬間尖峰電流造成的保護電路誤動作,保證變頻器正常工作。 3.2電壓檢測與保護電路 通用變頻器中的電壓檢測環節主要有直流側電壓檢測和輸出側電壓檢測。盡管我們經常假設變頻器直流側電壓是不變的,但事實上它一直是波動的。交流電網電壓的波動、負載瞬變、整流器功率器件的斷續導電、或者輸入電源缺相等等都會引起直流電壓變化。實際上,無論是對主電路器件及電動機的保護,還是對直流側和交流輸出電壓的計量和顯示,乃至高性能控制策略的實施都經常需要直流電壓的瞬時值或有效值。例如近年來人們已經發現性能優越的矢量控制對直流側電壓和負載的擾動十分靈敏,當裝置運行在弱磁條件下時,直流側電壓的降低可能導致電流失控和失去磁場的方位,幾乎所有的解決方案都需要精密檢測直流電壓,因此合理設計直流電壓檢測電路是非常重要。變頻器直流側電壓的檢測可采用電阻分壓、電壓互感器、線性光耦等,若選用LEM電壓傳感器則能進一步提高控制品質。 圖4 直流電壓檢測與保護電路
通用變頻器直流電壓檢測及保護電路如圖4所示,直流電壓經LEM電壓傳感器變為弱點信號(其接線圖見圖5),輸出信號經放大處理后分別送至四個比較器A1~A4的正相輸入端與四個參考電壓A、B、C、D比較,以完成過壓和欠壓保護并通知CPU發出相應的報警信號。 比較器參考電壓取自電阻R51~R57組成的分壓器,10V標準電壓經電阻分壓后取出四個不同的參考電壓分別送至四個比較器的反相輸入端,比較器的輸出信號經光耦隔離、阻容濾波之后再經施密特反向器關閉IGBT,同時送CPU進行處理。 
圖5 LEM電壓傳感器接線圖
正常狀態下,電壓取樣值處于B點和C點的電位之間,比較器A1、A2輸出0,A3、A4輸出1。經過隔離、濾波、反向處理,最終的輸出在圖中由上到下為0011,這是正常工作信號。B、C間的電壓范圍較大,當交流電源電壓在300~460V間變化時,變頻器正常工作。一旦交流電源電壓高于460V,電壓取樣隨即高于B點電壓,位于A、B電位之間,A1輸出0,A2、A3、A4輸出1,電路輸出過壓信號0111;而當電源電壓降至300V以下,電壓取樣立即低于C點電壓,處于C、D電位之間,A1、A2、A3輸出0,A4輸出1,此時電路輸出欠壓信號0001。這樣,變頻器便發出過壓或欠壓預報警信號,并按預定的控制順序關機。 變頻器輸出交流電壓的控制與檢測也是很重要,特別是目前引起人們關注的無速度傳感器矢量控制算法,要求必須精確測量輸出電壓。限于篇幅所限,不再詳細給出。 4.結束語 通用變頻器的檢測與保護電路直接關系到系統運行的安全性、可靠和控制精度,是變頻器必不可少的組成部分。其中,傳感器的選擇是很重要的一個環節。本文介紹了LEM電流、電壓傳感器的工作原理和主要特性,并給出了其在通用變頻器檢測及保護中的應用。實踐證明,LEM傳感器在檢測精度、響應速度、可靠性等方面具有的優點是普通傳感器無與倫比的。論文給出的電路可直接用于變頻器的設計和實現,有較好的實用價值。 實際上,凡是需要檢測直流、交流、脈動電流、電壓及其用這些測量值進行控制的系統,均可采用LEM傳感器,因此,LEM電流傳感器在各種電源、變頻器、電機調速系統等電氣設備中都具有良好的應用前景。
作者簡介: 李珂,男,1979年生,博士研究生。主要研究興趣是電力電子與電力傳動、控制理論與應用。 通訊地址:山東大學南校區控制學院 33#信箱 電話:(0531-88392822-802) Email:sdunilike@mail.sdu.edu.cn 侯傳晶,男,1980年生,碩士研究生。主要研究興趣是控制理論與應用,檢測技術。 張承慧,男,1963年生,博士,教授,博士生導師。主要研究方向是智能控制、電力電子技術、電機與控制。
|
|
狀 態:
離線
公司簡介
產品目錄
|
|
|
公司名稱:
|
萊姆電子(中國)有限公司
|
| 聯 系 人: |
王先生
|
| 電 話: |
010-80484303
|
| 傳 真: |
010-80484303 |
| 地 址: |
北京市順義區林河工業區林河大街28號院 |
| 郵 編: |
101300 |
| 主 頁: |
|
|
|
|
|