|
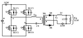
Application of Hall Sensor in High Frequency Inverter Wielder 張鋼 劉志剛 林文立 梅櫻 摘要:本文介紹了霍爾傳感器的基本原理及在高頻逆變焊機中的應用。采用霍爾傳感器對焊機輸出電壓、電流,以及直流母線電流進行精確測量,保證了焊機外特性的實現,解決了焊機輸出過流和逆變橋貫穿短路的保護問題,提高了焊機的可靠性。樣機實驗結果驗證了上述結論的正確性。 關鍵詞:霍爾傳感器,逆變焊機,外特性,短路保護,軟開關 引言 焊機是現代工業中不可缺少的設備,廣泛應用于各種加工和制造部門。就開關頻率而言,焊機的發展已經歷了從傳統的工頻焊機到高頻逆變焊機的過渡,焊機的體積和重量都大大減小。但是目前主流的逆變焊機開關頻率仍處于20KHz左右,要使之進一步輕便化、高性能,就必須繼續提高開關頻率,同時采用先進的軟開關技術,提高效率,減小高頻帶來的電磁干擾問題。 近年來,國外已經出現了開關頻率達200KHz的高頻逆變焊機,極其輕便,工作性能優異,但價格昂貴,使諸多中小企業望而卻步。國內的相關研究也正在進行,對于高頻焊機,需要解決的關鍵技術問題:一是外特性控制問題,確保焊機功能的實現;另外一個是可靠性問題,要求系統抗干擾能力強,保護電路簡單可靠。其中,電壓電流傳感器的正確選擇和使用,在解決上述問題中起著重要的作用。LEM公司生產的閉環霍爾電壓電流傳感器,不僅能夠實現電磁隔離,而且動態相應快、精確度高、線性度好。本文結合研制采用移相全橋軟開關技術5KW/150A高頻逆變弧焊機的工程實踐,著重論述霍爾傳感器在其中的應用問題。 1 焊機主電路結構及移相控制方法 焊機的主電路按照各個部分實現的功能主要分為:輸入EMI、輸入整流濾波電路、高頻逆變、隔離變壓器、輸出整流濾波電路等幾個部分,如圖1所示。 其中,輸入EMI部分可防止公共電網與焊機內部電路的相互干擾;輸入整流濾波部分將工頻交流轉換成穩定直流;高頻逆變將直流變為高頻交流,經過隔離變壓器,以及輸出整流濾波,得到焊接所需的直流。  圖1 焊機主電路結構 高頻化的直接好處是極大減小了中間隔離變壓器和輸出濾波電感電容的體積,但帶來的問題是增加了開關損耗和電磁干擾,而軟開關技術是解決上述問題的一個重要途徑。 圖2 是高頻逆變和輸出整流部分的電路,本質上是一個高頻DC/DC變換器,為焊機主電路的核心部分。  圖2 DC/DC變換電路 其中,Q1,Q2,Q3,Q4為功率MOSFET,D1~D4、C1~C4分別是各管的寄生二極管和寄生電容,Llk為高頻變壓器漏感(作為諧振電感),C5為隔直電容,用于防直流偏磁,D5,D6采用快恢復二極管。 控制方法采用全橋移相零電壓控制(FB-ZVS),以專用移相控制芯片UC3879為控制核心,基本原理為 :每個橋臂的兩個開關管成180°互補導通,兩個橋臂對角兩個開關管的導通角相差一個相位θ(即移相角),通過調節移相角的大小就可以調節輸出電壓和輸出電流。 2 霍爾傳感器基本原理及在焊機中應用 2.1 霍爾傳感器基本原理 霍爾傳感器是人們根據霍爾效應研制的一種磁隔離式傳感器。眾所周知,當電流流過一根長直導線(一次側)時,在導線周圍會感應出磁場,如果我們用軟磁材料將該磁場聚集,并將另一長導線(二次側)置于該磁場中,則另一導線上也會感應出與原導線中電流成正比的霍爾電壓Uh。 根據對霍爾電壓的處理不同,霍爾傳感器有分為開環霍爾傳感器和閉環霍爾傳感器。開環霍爾傳感器直接將霍爾電壓用運放放大,并以此來標定一次側電流的大小。其優點是電路簡單、成本相對較低,缺點是精度、線性度較差,響應速度較慢,且溫度漂移較大。而閉環霍爾傳感器則利用了磁平衡原理:一次側電流 所產生的磁場,通過二次線圈電流 進行補償,使磁芯始終處于零磁通工作狀態,如圖3所示。 圖3 閉環霍爾傳感器工作原理圖 即有: 其中: Ip為一次側電流; N1為一次側線圈的匝數;Is 為二次側補償電流; N2為二次側線圈的匝數。 由式(1)可知,當已知傳感器一次側和二次側線圈匝數,通過測量二次側補償電流ls,即可推知一次側電流lp的值,從而實現對一次側電流的隔離測量(對一次側電壓的測量實質上也是轉換成電流進行測量的)。 2.2 霍爾傳感器在焊機外特性控制中應用 焊機本質上是一個焊接電源,與普通電源的不同之處在于它需要實現焊接工藝所需的外特性 ,如圖4所示。  圖4 焊機外特性示意圖 圖4中Ux為空載電壓;外特性曲線的AB段是焊接的起弧過程;BC段是焊機的工作區,為恒流特性,通過輸出電流負反饋來實現恒流控制,使得焊接過程中電弧十分穩定;CD段特性即為外拖調節部分,Uz為外拖轉折電壓。通過外拖可適當增大輸出電流,提高引弧性能和電弧熔透能力,滿足焊接工藝的要求。 焊機的外特性控制電路如圖5所示。 圖5 外特性控制電路 如圖5所示,要實現焊機的外特性控制,必須精確檢測焊機輸出電壓和電流兩個量,然后進行PI控制。A點接UC3879移相控制端,A點不同電壓對應不同的移相角。 令交流輸入電壓的波動范圍為220V(±25%),則整流后可能的最大電壓為 由于高頻變壓器變比為3:1,所以輸出直流最大可能電壓為130V。因此輸出電壓傳感器選擇LV100-150。主要性能參數為:額定電壓 最大電壓±225V,額定電流 66.7mA (RMS),輸出電流 轉換比Kn=150V/50mA ,響應時間 由于輸出電流額定值為150A,最大值為200A, 所以電流傳感器選擇LA200-P。主要性能參數為:額定電流Ipn=200A (RMS),最大電流±300A,輸出電流Isn=100mA ,轉換比KN=1:2000 ,響應時間 以上兩款霍爾傳感器的輸出都是電流信號,需要根據所需電壓范圍選擇合適的電阻進行采樣,同時還需進行濾波和阻抗匹配的處理,如圖6所示。 圖6 信號處理電路 其中,Rs為采樣電阻;R和C構成一階低通濾波電路;運放OP27輸入電阻無窮大,起阻抗匹配的作用。經過以上處理,最終得到一個與輸入電流Iz成比例的電壓輸出信號Vo,并且高頻干擾被濾除。 2.3 霍爾傳感器在焊機保護電路中應用 由于焊機工作條件比較惡劣,一方面焊接過程中拉弧、放電會產生很大的電磁干擾,有可能干擾驅動脈沖,造成上下橋臂貫穿短路;另一方面,焊接過程中,輸出經常處于短路狀態,必須對變壓器原邊電流進行檢測,并對其最大值進行嚴格限制。 對于200KHz的驅動信號,得選用專用高頻MOSFET驅動芯片(如MAX4427),同時用高速光耦6N137隔離,驅動電路如如圖7所示。  圖7 高頻隔離驅動電路 考慮到絕大多數高頻MOSFET驅動芯片不具備過流和短路保護功能。為了能夠同時對兩橋臂貫穿短路和輸出短路提供有效保護,同時盡可能減少傳感器數量,簡化保護電路,一種較好的方案是在中間直流母線上安裝一個霍爾電流傳感器(如圖2所示),實時檢測母線電流,并與設定保護值進行比較,一旦超過保護值立刻封鎖驅動脈沖,實施保護。 由于焊機額定輸出電流為150A,變壓器變比為3:1,則焊機直流母線電流最大值為150/3=50A,因此選用電流傳感器為LA 100-P 。其響應時間小于 能夠提供快速的保護。
3 實驗結果 在完成焊機樣機的制作和初步調試后,進行了簡單的功能性實驗。主要參數如下:焊機設計容量5KW;開關頻率設置為100KHz;輸入交流電壓220V,輸入整流部分濾波電容采用4個470 /450V電解電容;MOSFET主開關管選用IXYS公司的IXFK48N50(48A/500V),雙管并聯;變壓器設計容量6KW,變比3:1;原邊隔直電容選擇2.2 /500V的CBB電容;輸出整流部分選用的是IXYS公司的外延型快恢復整流二極管DSEI-2x101-02A;濾波電感20 濾波電容470 /250V。  圖8 主電路各電壓電流波形 圖8為焊機主電路電壓電流波形。其中CH1和CH2分別為變壓器原邊電流和電壓波形;CH3為滯后臂MOSFET漏源電壓,CH4為其驅動脈沖波形,從中可以明顯地看到當滯后臂管壓降已經諧振到零后,驅動脈沖才由低變到高,因此該MOSFET是在零電壓下導通,實現了軟開關。 圖9 輸出電流波形 圖9是焊機工作于恒流區間時輸出電流的波形。由于焊機工作頻率高,因此在輸出濾波電感和濾波電容較小的情況下,輸出電流的紋波也很小,滿足焊接工藝的要求。 在實際焊接過程中,當焊條與工件距離較近(或接觸),焊機就會起弧,并隨即進入外特性曲線中的恒流輸出部分。恒流部分為焊機的目標工作區,恒流輸出電流大小由恒流給定值決定;當焊接過程中,焊條不小心與工件接觸,焊機會工作到外拖部分,此時輸出電流會適當增大,防止焊條與工件粘連,但輸出電流的最大值需嚴格控制。 4 結論 經過以上實驗,得出以下結論: (1)通過采用專用移相控制芯片UC3879,額定輸出時各開關管均能實現較好的軟開關,減小了裝置的開關損耗,提高了焊機效率。 (2)通過高頻化,減小了中間隔離變壓器和輸出濾波電感、電容的大小,焊機的功率密度提高。 (3)霍爾傳感器的使用,達到了對各電壓量和電流量的精確測量,實現了焊機的外特性,并且具備了完善的保護功能,整個系統工作穩定,抗干擾能力強,能夠在各種惡劣電磁環境下工作。 參考文獻: [1] 劉勝利.現代高頻開關電源實用技術.北京:電子工業出版社[M],2001. [2] 李澤勇,王文生. 閉環霍爾傳感器在逆變焊機中應用[J].焊接與切割,2006,(1). [3] 劉志剛,汪志中.高頻逆變焊機用于鋼軌及轍叉線上焊補與維護.北京交通大學學報,2001,25(2). 作者簡介: 張鋼(1982-)男 ,重慶人,博士研究生, 主要研究方向電力電子與電力傳動。Email:zhanggang1227@126.com 劉志剛(1961—)男,山東萊陽人,教授,博士生導師,北京交通大學研究生院副院長。
|