僅與滲漏或液體檢測光纖共同使用FX-301-F特別設計與滲漏光纖(FD-F705)或液體檢測光纖(FT-F902)共同使用。其最佳狀態設定容易。 |
個別/集體教導模式操作容易通過不同檢測,即使物體的反射有變化,也無需重新調節靈敏度。 |
 |
 |
裝備閃光功能當連接滲漏光纖(F7模式)時,如果檢測到滲漏,投光器即開始閃光,使你一眼即可辨認。 |
長使用壽命和穩定的工作設定確保其性能可靠FX-301(P)-F裝備了我們新開發的“4元素投光二極體”,消除了如LED等的性能降低問題。此新款二極體使入光水平穩定,且不用特別維護。 |
無主機、分機之分,便于維護主機、分機使用同一放大器主體。此特點使橫向連接構造安裝容易。只有正確使用3芯母電纜和單芯子電纜才能分辨出主、分機功能。 此外,由于主、分機使用同一主體,簡化了維護及庫存管理。 |
省配線、省施工設計,最多可橫向連接16臺放大器最多可橫向連接16臺放大器。子電纜只有一條輸出線,大大節省了接線和空間。而且,特殊的滑動連接器被提供給所有的母、子電纜。只要解鎖并徑直后拔,無需將放大器主體移至側面就可拆下此連接器。采用這種連接器系統后,只需很小的空間就能進行維護。 |
 |
 |
MODE NAVI操作容易MODE NAVI使用6個指示燈顯示放大器的基本操作。 一眼即可辨認出當前的操作模式。即使是初學者也可簡單操作放大器。 |
操作簡單且易使用高級功能可使用大型MODE按鈕選擇各種模式。詳細功能和設定可通過大型突出開關進行選擇。通過觀察MODE指示燈的顯示可確認所選擇的每個模式。可簡單辨別并從數字顯示中選擇每個模式中的高級功能。 |
 |
|
僅使用2個開關的簡單操作 |
| 操作僅需2個開關——大型突出開關和MODE按鈕。按下大型MODE按鈕設定“模式選擇”和“模式取消”功能。大型突出開關用于選擇每個模式中的詳細功能,并在模式選定后改變數值。 |
 |
訂購指南
放大器 (放大器不附帶單觸電纜。請另行訂購。)
| 種 類 |
形 狀 |
型 號 |
投光二極體 |
輸 出 |
| NPN輸出型 |
 |
FX-301-F |
紅色LED |
NPN開路集電極晶體管 |
| PNP輸出型 |
FX-301P-F |
PNP開路集電極晶體管 |
單觸電纜 (放大器不附帶單觸電纜。請另行訂購。)
| 種 類 |
型 號 |
說 明 |
| 母電纜 (3芯) |
CN-73-C1 |
長:1m |
0.15mm2 3芯橡皮電纜,一端帶連接器電纜外徑:φ 3.0mm |
母電纜 ·CN-73-C□
 |
| CN-73-C2 |
長:2m |
| CN-73-C5 |
長:5m |
| 子電纜 (1芯) |
CN-71-C1 |
長:1m |
0.15mm2 單芯橡皮電纜,一端帶連接器電纜外徑:φ 3.0mm |
子電纜 ·CN-71-C□
 |
| CN-71-C2 |
長:2m |
| CN-71-C5 |
長:5m |
尾盤 (放大器不附帶單觸電纜。當放大器串聯連接時請另行訂購。)
| 形狀 |
型號 |
說明 |
 |
MS-DIN-E |
當串聯連接多個放大器,或在DIN導軌上移動放大器時,這些尾盤確保所有的放大器安全安裝,充分連接。 (每套2個) |
配件(另售)
| 品名 |
型號 |
說明 |
放大器安裝支架 ·MS-DIN-2 |
光纖傳感器放大器保護封條 ·FX-MB1 |
| 放大器安裝支架 |
MS-DIN-2 |
放大器用安裝支架 |
| 光纖傳感器放大器保護封條 |
FX-MB1 |
2個交流窗密封墊和1個連接器封條10套 交流窗密封墊: 防止從另一個放大器上傳輸信號造成的故障,及其對另一個放大器的影響。 連接器封條: 帶有單觸電纜針,以防任何金屬的觸碰。 |
 |
 |
規格
| 種 類 |
NPN輸出型 |
PNP輸出型 |
| 型 號 |
FX-301-F |
FX-301P-F |
| 適用光纖 |
FD-F705,FT-F902 |
| 電源電壓 |
12~24V DC±10% 脈動P-P10%以下 |
| 消耗電流 |
通常工作時:960mW以下(電源電壓24V時,消耗電流40mA以下) ECO模式時:600mW以下(電源電壓24V時,消耗電流 25mA以下) |
| 輸出 |
NPN開路集電極晶體管 · 最大流入電流: 100mA (5臺以上放大器串聯時為50mA) ·外加電壓:30V DC以下(輸出和0V之間) ·剩余電壓: 1.5V以下[流入電流為100mA時(5臺 以上放大器串聯時為50mA)] |
PN P開路集電極晶體管 ·最大源電流: 100mA (5臺以上放大器串聯時為50mA) ·外加電壓:30V DC以下(輸出和0V之間) ·剩余電壓: 1.5V以下[源電流為100mA時(5臺以上 放大器串聯時為50mA)] |
| 輸出工作 |
滲漏設定(F7模式):檢測到滲漏時OFF,液體設定(F9模式):使用突出開關在有無液體之間選擇信號OFF狀態 |
| 短路保護 |
裝 備 |
| 反應時間 |
250μs以下(注1) |
| 靈敏度設定 |
個別教導/集體教導 |
| 工作狀態指示燈 |
橙色LED(輸出ON時亮起) |
| 模式指示燈 |
綠色LED [在液體設定(F9模式)期間亮起] |
| MODE指示燈 |
RUN:綠色LED,TEACH·ALL·ADJ·DISP·OUT:黃色LED |
| 數字顯示 |
4位紅色LED顯示 |
| 微小靈敏度調節功能 |
裝 備 |
| 定時功能 |
延遲定時功能[僅用于液體設定(F9模式)](定時功能選擇為:10ms,100ms,1,000ms,和無) |
環 境 性 能 |
周圍溫度 |
0~+50°C(8~16臺串聯連接時:0~+45°C)(注意不可結露),存儲:-20~+70°C |
| 周圍濕度 |
35~85%RH,存儲:35~85%RH |
| 周圍照明度 |
白熾燈:受光面照明度 3,000Rx |
| 耐電壓 |
AC1,000V 1分鐘,所有電源連接端子與外殼之間(注2) |
| 絕緣電阻 |
所有電源連接端子與外殼之間,20MΩ以上,基于DC250V的高阻表(注2) |
| 耐振動 |
頻率:10~150Hz,雙振幅:0.75mm,X,Y和Z各方向2小時 |
| 耐沖擊 |
加速度:98m/s2(約10G)X,Y和Z各方向5次 |
| 投光二極體 |
紅色LED(調制式) |
| 材質 |
外殼:耐熱ABS,外罩:聚碳酸酯,開關:丙烯 |
| 連接方式 |
連接器(注3) |
| 電纜延長 |
0.3mm2以上的電纜全長可延長至100m |
| 重量 |
約20g |
注:
1) 在滲漏設定(F7模式)期間檢測到滲漏(輸出OFF)時,由于傳感器的投光閃光,因此只有將信號轉回ON的反應功能延時(約1秒)。
2) 上表中的耐電壓和絕緣電阻僅適用于放大器。
3) 不附帶放大器連接電纜。請使用下述另售單觸電纜。
母電纜(3芯):CN-73-C1(電纜長1m), CN-73-C2(電纜長2m), CN-73-C5(電纜長5m)
子電纜(單芯):CN-71-C1(電纜長1m), CN-71-C2(電纜長2m), CN-71-C5(電纜長5m)
I/O電路圖和線路圖
FX-301-F (NPN輸出型)
|
|
|
 注: 1) 單觸電纜的子電纜不裝備+V(褐色)和OV(藍色)。 2) 串聯連接5臺以上的放大器時,最大50mA 3) 請勿串聯放大器(AND)
符號 … D : 反向電源極性保護二極管 ZD : 電涌吸收齊納二極管 Tr : NPN輸出晶體管
|
 注:單觸電纜的子電纜不裝備褐色和藍色引線。
 |
FX-301P-F (PNP輸出型)
|
|
|
 注: 1) 單觸電纜的子電纜不裝備+V(褐色)和OV(藍色)。 2) 串聯連接5臺以上的放大器時,最大50mA 3) 請勿串聯放大器(AND)
符號 … D : 反向電源極性保護二極管 ZD : 電涌吸收齊納二極管 Tr : PNP輸出晶體管
|
 注:單觸電纜的子電纜不裝備褐色和藍色引線。
 |
使用指南
該產品為物體檢測傳感器,不具有保護生命、財產的功能,為防止事故,確保安全,請謹慎使用。
安裝
|
|
|
① 將放大器后部安裝在35mm寬的DIN導軌上。 ② 按下放大器前部, 將其安裝在35mm寬的DIN導軌上。 |
 |
① 將放大器后部安裝在35mm寬的DIN導軌上。 ② 按下放大器前部, 將其安裝在35mm寬的DIN導軌上。 |
 |
| |
|
注: 請注意如果沒有向前推放大器就向上提起前端的話,安裝部分的掛鉤可能損壞。 |
|
|
| · 確認光纖附件(FX-AT4)安裝到光纖上。安裝方法請參閱光纖附件使用說明。 |
① 放下光纖固定桿。 ② 慢慢將光纜插進入口直到停止。(注) ③ 將光纖固定桿推回至初始位置,直到它停止。 注:如果光纜未插到底部,檢測會不穩定。 |
 |
|
連接
· 確認在電源關閉情況下連接或斷開單觸電纜。
|
|
|
① 握住單觸電纜的連接器,使其突出部分與放大器的連接器頂部的凹槽持平。 ② 將連接器插入,直到聽到卡嗒一聲。 |
 |
① 按下單觸電纜連接器頂部的突出部分,拉出連接器。
注: 請注意如果不按下突出部分就拉出連接器,突出部分可能被損壞。請勿使用突出部分已損壞的單觸電纜。此外,不要握著電纜拉動,這可能會導致電纜折斷。 |
 |
串聯放大器
·請確保在電源關閉的狀態下串聯或拆卸放大器。
· 確保檢查允許的周圍溫度,它是依據串聯連接放大器的數量而定的。
· 如果串聯連接2臺以上的放大器,確保將它們安裝在DIN導軌上。
· 串聯連接時,將放大器貼近安裝在一起,并將他們安裝在兩端另售尾盤(MS-DIN-E)之間。
· 當放大器依據安裝方式在DIN導軌上移動時,將他們安裝在兩端另售尾盤(MS-DIN-E)之間。
· 最多可增加15臺放大器(總計串聯16臺放大器)。
· 當串聯2臺以上放大器時,從第2臺放大器起使用子電纜(CN-71-C□)作為單觸電纜。
· 如果集體教導是放大器在滲漏設定(F7模式)和液體設定(F9模式)下串聯安裝時進行的,那么模式設定就會因此而改變,請注意集體教導不應在不同模式設定的放大器串聯的情況下進行。
· 由于本放大器的交流功能與光纖傳感器FX-301/311/305系列不同,如果這些型號的傳感器串聯安裝,請勿使用交流功能。
· 如果串聯,請在電源打開后10分鐘以上再使用教導功能。
|
|
|
① 將放大器逐個安裝在35mm寬的DIN導軌上。 (詳情請參閱“安裝”) ② 滑動子單元到主單元附近,連接單觸電纜。 ③ 在兩端安裝另售尾盤(MS-DIN-E)以支持它們平面之間的放大器。 ④ 緊固螺絲固定尾盤(MS-DIN-E)。 |

 |
① 松開尾盤(MS-DIN-E)的螺絲。 ② 取下尾盤(MS-DIN-E)。 ③ 滑動子單元并逐個取下。 (詳情請參閱“安裝”) |

 |
部件說明
 |
① 工作狀態指示燈(橙色) ... 輸出ON時亮起 ② 模式指示燈(綠色) ... 液體設定(F9模式)時亮起 ③ MODE指示燈 ... |
|
RUN(綠色) :通常檢測工作時亮起。 TEACH(黃色):選擇個別教導模式時亮起。 ALL(黃色) :選擇集體教導模式時亮起。 ADJ(黃色) : 當選擇基準值微調模式或靈敏度轉換功能被激活時亮起。 DISP(黃色) : 當選擇數字顯示設定模式或定時器功能被激活時亮起。 OUT(黃色) : 選擇強制輸出模式或NO/NC轉換功能被激活時亮起。 |
④ 突出開關 ... 在“+”或“-”方向上移動開關,以能觀察要選擇的各種不同項目,并在確認了選擇設定后按下開關。 ⑤ MODE按鈕 ... 此按鈕用于選擇工作模式,以及在配置過程中取消設定。 |
設定項目
RUN模式
· 當MODE指示燈·RUN(綠色)亮起時,可檢查顯示設定或靈敏度選擇設定。靈敏度選擇設定詳情請參閱“靈敏度選擇功能”。
· 按下突出開關2秒以上時,顯示作如下改變。
· 如果突出開關移至“+”或“-”端,可確認當前靈敏度。2秒后,顯示恢復為“數字顯示”或“百分比顯示”。
個別教導模式
· 出廠時的靈敏度選擇功能設定為自動靈敏度設定(
)。如果進行了靈敏度選擇設定,應在其后確認“教導”執行。
靈敏度選擇設定詳情請參閱“靈敏度選擇功能”。 · 當MODE指示燈·TEACH(黃色)亮起時,可在單個部件上設定基準值。
| 步驟 |
說明 |
顯示 |
| ① |
插入滲漏光纖(FD-F705)或液體檢測光纖(FT-F902)。 按MODE按鈕點亮MODE指示燈·TEACH(黃色)。 |
 | |
 |
| ② |
轉換突出開關至“+”或“-”端,以設定滲漏(F7)模式( )或液體(F9)模式 ( )。 如果設定為液體( F 9 )模式 ( )模式指示燈(綠色)亮起。 |
 | |

 |
| ③ |
在安裝有滲漏光纖(FD-F705)時的無滲漏狀態或有液體檢測光纖(FT-F902)時的無液體狀態下按下突出開關。然后顯示屏上的“ ”從左邊移至右邊。 |
 | |
 |
| ④ |
接受教導時,基準值設定結果顯示出來。 · 如果設定穩定時,顯示屏上的“ ”閃爍三次。 · 如果設定不穩定時,顯示屏上的“ ”閃爍。(注1) |

 |
| ⑤ |
如果教導結果為“ ”,傳感器自動返回為RUN模式,并且入光量顯示在顯示屏上。MODE指示燈·RUN(綠色)亮起。設定完成。 |
 |
注:
1) 詳情請參閱“錯誤顯示”。
2) 出廠時的初始設定為液體(F9)模式( )。
3) 請勿在靈敏度設定后移動或彎曲光纜。檢測可能會變得不穩定。
集體教導模式
· MODE指示燈·ALL(黃色)亮起時,可集體設定串聯安裝的放大器的基準值。
| 步驟 |
說明 |
顯示 |
| ① |
插入滲漏光纖(FD-F705)或液體檢測光纖(FT-F902)。 按MODE按鈕點亮MODE指示燈·ALL(黃色)。 |
 | |
 |
| ② |
轉換突出開關至“+”或“-”端,以設定滲漏(F7)模式( )或液體(F9)模式 ( )。 如果設定為液體( F 9 )模式 ( )模式指示燈(綠色)亮起。 |
 | |

 |
| ③ |
在安裝有滲漏光纖(FD-F705) 時的無滲漏狀態或有液體檢 測光纖(FT-F902)時的無液體 狀態下按下突出開關。 然后顯示屏上的“ ”從左上角移至右上角,再從右 下角移至左下角(2次)。 |
 | |
 |
| ④ |
接受教導時,基準值設定結果顯示出來。 · 如果設定穩定時,顯示屏上的“ ”閃爍3次。 · 如果設定不穩定時,顯示屏上的“ ”閃爍。(注1) |

 |
| ⑤ |
如果教導結果為“ ”,傳感器自動返回為RUN模式,并且入光量顯示在顯示屏上。MODE指示燈·RUN(綠色)亮起。設定完成。 |
 |
注:
1) 詳情請參閱“錯誤顯示”。
2) 在集體教導中,僅傳送一個教導工作指令,其基準值沒有被復制。各個放大器上的教導基準值設定。
3) 當集體教導進行時,設定狀態被復制。如果要設定個別設定狀態,請在集體教導后單獨設定。
4) 請勿在靈敏度設定后移動或彎曲光纜。檢測可能會變得不穩定。
| ○:復制 ×:未復制 |
|
| 模式 |
數字顯示 百分比顯示 |
模式設定 |
數字 顯示設定 |
靈敏度 選擇功能 |
定進功能 |
NO/NC 選擇功能 |
滲漏(F7) 模式
|
○ |
○ |
○ |
○ |
× |
× |
液體(F9) 模式 |
○ |
○ |
○ |
○ |
○ |
○ | |
5) 集體教導僅在放大器操作面板所示的箭頭方向上傳輸信息。集體教導也可從串聯安裝的放大器的中間開始。請在集體教導進行前檢查傳輸方向。

6) 由于模式設定也要傳輸,因此請勿在滲漏(F7)模式(

)和液體(F9)模式(

)放大器混合串聯連接時執行集體教導。
7) 請勿在靈敏度設定后移動或彎曲光纜。否則檢測可能會變得不穩定。
基準值微調模式
· MODE指示燈·AD J(黃色)亮起時,設定的基準值可進行微調。
| 步驟 |
說明 |
顯示 |
| ① |
| 按MODE按鈕點亮MODE指示燈·ADJ(黃色)。 |
 | |
 |
| ② |
| 轉換突出開關至“+”端以增加基準值。轉換突出開關至“-”端以降低基準值。 |
 | |
 |
| ③ |
| 當按下突出開關時,改變的基準值閃爍3次并確認。 |
 | |
 |
| ④ |
當MODE按鈕按下3次或2秒以上時,傳感器返回至RUN模式,并在顯示屏上顯示入光量。MODE指示燈·RUN(綠色)亮起。設定完成。 |
 |
注: 可調區域如下所示。如要在可調區域外調節基準值,請先在區域內確認,然后再次調節。
數字顯示設定模式
· MODE指示燈·DISP(黃色)亮起時,數字顯示可轉換至亮起模式、eco模式或倒數模式。
| 步驟 |
說明 |
顯示 |
| ① |
| 按M O D E 按鈕點亮MODE指示燈·DISP(黃色)。 |
 | |
 |
| ② |
當突出開關移至“+”或“-”端時,數字顯示模式改變。
 |
:這是數字顯示中的亮起模式。數字顯示始終亮起。
|
 |
: 這是eco模式。確認后,如果按按鈕操作沒有進行8 秒以上,“ ”閃爍,接著數 字顯示關閉。當在顯示關閉后在執行集體教導時或進行按按鈕操作時,數字顯示亮起。 |
 |
: 這是數字顯示的倒數模式。在通常顯示狀態下,顯示變為倒數顯示,在倒數狀態下,顯示變為通常顯示。 | |

 | |


 |
| ③ |
| 當按下突出開關時,改變的基準值閃爍3次并確認。 |
 | |
 |
| ④ |
當MODE按鈕按下2次或1秒以上時,傳感器返回至RUN模式,并在顯示屏上顯示入光量。 MODE指示燈·RUN(綠色)亮起。設定完成。 |
 |
注:出廠時的初始設定為亮起模式(

)。
強制輸出模式
· MODE指示燈·OUT(黃色)亮起時,不管入光量,輸出都可強制改變至ON或OFF。
| 步驟 |
說明 |
顯示 |
| ① |
| 按MODE按鈕點亮MODE指示燈·OUT(黃色)。 (顯示當前輸出狀態) |
 | |
 |
| ② |
當突出開關移至“ + ” 或“-”端時,輸出強制改變至ON或OFF。 當放大器的投光二極體閃爍后,就可檢查連接于放大器上的光纖。 當輸出強制改變至ON時,工作狀態指示燈(橙色)亮起。 |

 | |
 |
| ③ |
| 按MODE按鈕將傳感器返回至步驟①。 |
 | |
 |
| ④ |
按MODE按鈕時, 傳感器返回至RUN模式,并在顯示屏上顯示入光量。MODE指示燈·RUN(綠色)亮起。設定完成。 |
 |
靈敏度選擇功能
· 如果突出開關按下3秒以上,當MODE指示燈·ADJ(黃色)亮起時,靈敏度可固定在低靈敏度或高靈敏度,或設定為自動靈敏度。
| 步驟 |
說明 |
顯示 |
| ① |
| 按MODE按鈕點亮MODE指示燈·ADJ(黃色)。 |
 | |
 |
| ② |
按下突出開關3秒以上。(傳感器進入靈敏度設定狀態) MODE指示燈 ·RUN(綠色)閃爍。 |
 | |
 |
| ③ |
當突出開關移至“ + ” 或“-”端時,顯示屏和MODE指示燈·RUN(綠色)閃爍,此時可以選擇靈敏度。
 |
:動靈敏度設定選擇自動靈敏度后,通過執行教導,靈敏度設定為最佳。
|
 |
: 低靈敏度設定 |
 |
: 高靈敏度設定 | |
 | |


 |
| ④ |
| 當按下突出開關時,設定顯示閃爍3次并確認。 |
 | |
 |
| ⑤ |
MODE指示燈·TEACH(綠色)亮起并顯示為“ ”或“ ”。選擇靈敏度后,執行教導。教導的設定方法參閱“個別教導模式”。 |

 |
注:出廠時的初始設定為自動靈敏度設定(

)。
定時功能[僅液體(F9)模式]
· 當設定為液體( F 9 ) 模式(

) 且MODE指示燈· DISP(黃色)亮起時,按下突出開關3秒以上即可設定定時功能。如果是滲漏(F7)模式(

)時,顯示并不轉換至定時功能。滲漏(F7)模式·液體(F9)模式的選擇方法請參閱“個別教導模式”或“集體教導模式”。
· 該產品裝備了可降低如氣泡等的影響的延遲定時功能。
時間表
注:出廠時的初始設定為無定時器(

)狀態。
NO/NC選擇功能[僅液體(F9)模式]
· 當設定為液體(F9)模式(

)且MODE指示燈·OUT(黃色)亮起時,按下突出開關3秒以上即可進行NO/NC選擇。如果是滲漏(F7)模式(

),顯示不轉換至NO/NC選擇功能。滲漏(F7)模式·液體(F9)模式的選擇方法請參閱“個別教導模式”或“集體教導模式”。
注:出廠時的初始設定為常閉(

)。
錯誤顯示
·當顯示有錯誤時,采取以下補救措施。
| 錯誤顯示 |
原因 |
補救措施 |
 |
由于短路產生的過量電流。 |
關閉電源并檢查負荷。 |
 |
教導異常。 |
檢查光纖的安裝狀態,或光纖是否已解開,然后再次進行教導。按MODE按鈕取消“ ”。取消之后,在出現錯誤前,傳感器在設定值狀態下工作。可是,如果靈敏度選擇功能設定為自動靈敏度設定( ),傳感器靈敏度為最佳。 |
 |
交流異常。 |
檢查串聯安裝的放大器是否斷開。確認以后再次進行教導。 |
接線
· 請確認在電源關閉狀態下進行接線。
·請確認電源電壓在額定范圍內變化。
· 請注意如果使用的電壓超出額定范圍,或直接連接AC電源,傳感器可能燒壞或損壞。
· 如果在該傳感器附近使用產生噪音的設備(開關調節器、轉換發動機等),請將設備機架接地端子(F.G.)接地。
· 如果電源是由商用開關調節器提供,請確保電源機架接地端子(F.G.)接地。
· 請確認DC電源使用一隔離變壓器。如果使用自耦變壓器(單線圈變壓器),可能損壞本產品或電源。
· 如果使用電源中產生電涌,請與電源連接一個電涌吸收器以吸收電涌。
· 請注意短路或負荷的錯誤接線可能燒壞或損壞傳感器。
· 請勿將電線與高壓線或電源線一起或在同一管線內運行線路,這可能會由于感應而引起故障。
· 請確保使用另售的單觸電纜連接放大器。0.3mm
2以上電纜可延長至100m。但為減少噪音,使接線盡可能短。
其他
·電源接通后的短時間(約0.5秒)內,請勿使用。
· 請勿將傳感器直接暴露于快速啟動燈或高頻照明設備的熒光下,這會影響檢測性能。
· 避免灰塵,污垢和水蒸氣。
· 當光纖頭上有灰塵或污垢等時其靈敏度會降低。為保持穩定檢測,除去光纖頭上的灰塵或污垢等,并定期進行靈敏度教導。
· 此傳感器僅適于在室內使用。
· 請勿將傳感器與水、油、油脂或有機溶液,如稀釋劑等直接接觸。
· 此傳感器不可在有易燃易爆氣體的環境下使用。
· 不可拆卸或改裝傳感器。
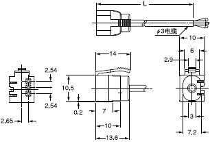
尺寸(單位:mm)
FX-301-F FX-301P-F 放大器
CN-73-C1 CN-73-C2 CN-73-C5 母電纜(另售)
 |
| 型號 |
長度(mm) |
| CN-73-C1 |
1,000 |
| CN-73-C2 |
2,000 |
| CN-73-C5 |
3,000 | |
CN-71-C1 CN-71-C2 CN-71-C5 子電纜(另售)
 |
| 型號 |
長度(mm) |
| CN-71-C1 |
1,000 |
| CN-71-C2 |
2,000 |
| CN-71-C5 |
3,000 | |
MS-DIN-2 放大器安裝支架(另售) |
MS-DIN-E 尾盤(另售) |
 |
 |