符合CE的使用條件 |
| · 本傳感器是符合EMC指令的CE驗證產品。與本產品的抗擾性相適的一致標準為EN 61000-6-2(注),以下條件必須符合標準。 |
|
|
· 控制器和電源間的距離應在10m以下。 · 與控制器連接的信號線應在30m以下。 · 鐵氧體線夾距離用于BCD輸出單元的一端帶連接器的GP-XBCC3電纜連接器不超過10mm。 注: 以前用于本產品的符合EMC指令的EN 50082-2從2002年4月1號起被EN 61000-6-2所替代。 |
圓盤形或圓柱形物體的線性度 |
· 如果檢測物體是圓盤形或圓柱形,線性度因檢測物體尺寸而不同。如果檢測物體比下表指定的尺寸大,在使用刻度功能接通時,線 性度規格(±0.3%F.S以內)可通過零調節和幅度調節來實現。 |
| 檢測頭 |
圓盤直徑φ (mm) |
圓柱直徑φ (mm) |
| GP-X3SE |
6 |
16 |
| GP-X5SE |
8 |
16 |
| GP-X8S |
12 |
50 |
| GP-X10M |
12 |
50 |
| GP-X12ML |
25 |
55 |
| GP-X22KL |
30 |
165 | |
<圓盤形> |
<圓柱形> |
檢測頭安裝 |
| · 緊固扭矩應小于以下所給的值。 |
|
|
| · 確保使用M3或更小且帶杯點的固定螺絲。 |
 |
| 型 號 |
A(mm) |
緊固扭矩 |
| GP-X3SE |
4~16 |
0.10N·m以下 |
| GP-X5SE |
5~16 |
0.44N·m以下 |
| GP-X8S |
0.58N·m以下 | |
|
|
| <GP-X10M> |
<GP-X12ML> |
<GP-X22KL> |
| 型 號 |
A(mm) |
緊固扭矩 |
| GP-X10M |
7以上
|
9.8N·m以下 |
| GP-X12ML |
14以上 |
20N·m以下 |
| GP-X22KL |
20以上(注1) |
20N·m以下 | 注: 1) 無螺母。如果安裝了螺母,規格為23.5mm以上。 2) 螺母安裝后不可從螺紋部分突出。 |
 |
 |
 |
|
|
| · 由于傳感器周圍的金屬可能影響檢測性能,請注意以下要點。 |
| <檢測頭嵌入金屬中> |
| · 如果檢測頭完全嵌入金屬中可能改變模擬輸出,所以保持下表規定的最小距離。 |
 |
| 檢測頭 |
C(mm) |
D(mm) |
| GP-X3SE |
φ 10 |
3 |
| GP-X5SE |
| GP-X8S |
φ 18 |
| GP-X10M |
φ 14 |
| GP-X12ML |
φ 50 |
14 |
| GP-X22KL |
φ 50 |
20 | |
|
|
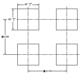
| · 如果幾個檢測頭貼近安裝在一起,一些規格可能無法實現。所以可使用防干擾功能克服。防干擾功能通過改變傳感器振動可消除傳感器間干擾。時間表等的詳細說明請與經銷商聯系。如果未使用防干擾功能,保持下表所給值以上的距離。 |
<面對面安裝>
|
| 檢測頭 |
E(mm) |
F(mm) |
| GP-X3SE |
15 |
9 |
| GP-X5SE |
30 |
11 |
| GP-X8S |
40 |
15 |
| GP-X10M |
40 |
15 |
| GP-X12ML |
170 |
50 |
| GP-X22KL |
200 |
200 | |
檢測距離 |
· 特定檢測距離專用于標準檢測物體[不銹鋼(SUS304)/鐵,60×60×t 1mm]。檢測金屬中的非標準物體時,請使用以下的校正系數作為指導。使用前請用實際傳感器進行驗證。
|
|
|
| |
檢測頭和控制器連接 |
| · 請在電源關閉狀態下連接檢測頭和控制器。 |
|
|
|
· 握住檢測頭連接器外環插入到控制器上的連接器里,直到聽到卡嗒聲。
|
· 握住連接器外環直接拉出。 |
|
|
| · 使用檢測頭延長電纜時,關閉電源并把檢測頭電纜長度轉換開關端旋轉到控制器檢測頭連接器至“3m+7m”處,然后重新接通電源。 |
 |
| · 延長電纜的共軸接頭連接到0V電源上。如果安裝到金屬板或類似物體上,請把接頭絕緣。 |
檢測頭和控制器連接 |
| · 使用附帶的控制器安裝框(ATA4811),擰緊框螺絲以把控制器安裝到面板上。 |
 |
· 面板分割尺寸請參閱“尺寸”(PDF P.86)。 · 可安裝面板厚度為1~5mm。但是,如果使用了控制器通信單元或BCD輸出單元,面板厚度在1~2.5mm之間。 |
接線 |
· 請確認在電源關閉狀態下進行接線。 · 注意錯誤接線會損壞檢測頭或控制器。 · 請確認電源電壓在額定范圍內變化。 · 如果電源是由商用開關調節器提供,請確保電源屏蔽地線端子(F.G.)接地。 · 如果在檢測頭或控制器附近使用產生噪音的設備(開關調節器,轉換發動機等),請將設備屏蔽地線端子(F.G.)接地。 · 請勿將電線與高壓線或電源線一起或在同一管線內運行線路,這可能會由于感應而引起故障。 · 請確認DC電源使用一隔離變壓器。如果使用自耦變壓器(單線圈變壓器),可能損壞本產品或電源。 · 如果使用電源中產生電涌,請與電源連接一個電涌吸收器以吸收電涌。 · 模擬輸出不裝備短路保護電路,請勿將它與電源或容量負荷直接連接。 · 確保不可直接強力彎曲或拉伸傳感器電纜連接處。 · 如果多控制器使用獨立電源,所有的控制器都應使用同樣的+V或0V電源。 |
其他 |
· 電源接通后的短時間(約2秒)內,請勿使用。 · 本傳感器僅適于室內使用。 · 避免灰塵、污垢和水蒸氣。 · 請勿將傳感器與水、油、油脂或有機溶液,如稀釋劑等直接接觸。 |