|
本產品用作工業電荷卸載,不具備預防導致人身傷放電針的清潔步驟害或財產損失的事故,或用于安全、維護所需的控制功能。 |
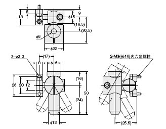
安裝 |
· 把本產品裝到機體上時,請使用M4螺絲(請另行準備)。 · 如果2臺以上靠近安裝,彼此間隔應在5mm以上。如果間距在5mm以下時,電荷卸載性能可能會受影響。 · 確保有足夠的空間可進行日常檢查和維護。 · 確保接地端子接地。如果接地不充分,電荷卸載性能將顯著下降。(D種接地或電源普通接地。) · 如果使用了另售的AC適配器ER-VAPS1,確保把接地端子連接到電源普通接地端子上。 · 如果帶電物體處于與其它物體接近或接觸的狀態,即使向其噴射離子也無法獲得電荷卸載效果。因此本產品的設置位置,應保證在帶電物體遠離其它物體或懸浮在空中的狀態下,離子能噴射到帶電物體上。 |
 |
關于噴嘴 |
|
· 電離器不可單獨使用。請務必在裝上另售的噴嘴后再使用。 · 切勿對另售的噴嘴進行改造。如使用改造過的噴嘴,噴嘴內部的壓力會上升,導致放電部的監視功能啟動,并輸出檢查信號。 · 有關另售噴嘴的詳細內容,請參閱噴嘴附帶的使用說明書。 |
·備有10種噴嘴(2005年5月止),請根據用途選擇。 ·各種噴嘴請在相應的規定氣壓下使用。 ·安裝噴嘴時,請一直旋入至本產品的根部。 |
配管 |
·安裝至本產品空氣入口部的空氣導管,外徑應為φ6mm。 ·請向本產品供應清潔空氣(不含水、油或灰塵等雜質)。 |
保養·維護 |
|
·檢查和清潔時,請務必先切斷電源和空氣供應。 ·放電針前端尖銳,清潔時請充分注意安全。 |
· 如果放電針前端有污垢付著,電荷卸載效果將下降。有檢查信號輸出時,請清潔放電針。 · 即使無檢查信號輸出,也請進行定期清潔。 · 放電針有使用壽命。建議使用了約10000小時后進行更換。請使用ER-VANT型放電針。 · 清潔過放電針之后如果仍有檢查信號輸出,請更換放電針。 · 有錯誤信號輸出時,可能正在發生異常放電。 此時請檢查以下項目。 1.確認電源電壓是否在規格范圍內。 2. 檢查放電針上有無缺損或污垢,放電針組件是否正常地安裝在主體上。如果放電針上有缺損或異物,請進行清潔或更換。 3.檢查噴嘴內部有無異物,噴嘴的安裝、設置是否正常。 4.檢查接地端子的接地是否可靠。 · 在輸出錯誤信號后,要復位時請輸入復位信號。 |
|
|
1.確認電源和空氣供應已切斷。 2.從主體后側拆下放電針。 3.用蘸有酒精的棉棒等清潔放電針及其周圍的異物。 4.再次確認放電針上已無線頭等異物附著。 5.清潔完成后,裝好放電針。 |
|
|
1.確認電源和空氣供應已切斷。 2. 從主機后側拆下放電針。 3.確認新放電針及其周圍沒有污垢附著后,安裝噴嘴。 |
接線 |
· 請務必在電源切斷的狀態下進行接線作業,否則會有觸電的危險。 · 接線完成后接通電源之前,請檢查確認電路連接是否正確。 · 如果接線有誤,會導致故障發生。 · 請確認電源變動情況,確保電源輸入在額定范圍內。 · 請勿與高壓線、動力線平行布線或使用同一根電線管走線,否則可能會由于感應而導致誤動作。 |
其它 |
· 連接本產品的直流電源,請務必采用隔離變壓器等進行隔離,或者使用選購的AC適配器ER-VAPS1。 · 本產品如果使用自耦變壓器等變壓,主體和電源可能會因短路而受損。 | |
· 請勿在規格范圍以外使用本產品,否則可能導致故障或事故,并嚴重縮短產品壽命。 · 切勿對本產品進行分解、修理、改造,否則可能導致故障或事故。 · 請勿將本產品扔進火中,否則可能導致產品爆裂或產生有毒氣體。 · 放電針上電壓很高,請勿使手指、身體其它部位、以及鐵絲、工具等金屬物品靠近。否則可能導致觸電或故障。 · 本產品并非防爆規格,請勿在易燃物、可燃物等存在的危險性環境中使用。否則可能導致起火。 · 本產品會在大氣中釋放臭氧,感覺到臭氧的氣味時,請注意通風換氣。如臭氧存留過久,可能導致金屬等氧化、腐蝕。 此外,請勿將臉部靠近噴嘴口或氣流出口附近確認臭氧氣味,否則可能導致鼻、喉受傷。 · 請避免在蒸汽、灰塵等較多的場所、以及水、油、焊渣會直接飛濺到的場所使用本產品。 · 切斷電源后如果立即重新接通,可能會發生異常輸出。因此切斷電源后欲重新接通時,須間隔1秒以上。 · 接通電源、供應空氣之前,請先確認接線、配管的狀態是否正常。如果接線、配管有誤,將會導致故障。 · 請勿將本產品用于電荷卸載以外的其它目的。 · 本產品不能使用、或不再需要時,請作為工業報廢物按照相關規定進行處理。 · 使用電磁閥等對供給本產品的空氣進行ON/OFF控制時,請同時對放電停止輸入進行ON/OFF控制。 · 流體請使用干燥清潔的空氣,如果使用干燥清潔空氣以外的其它流體或含有腐蝕性氣體等的流體,將會導致事故或故障。 · 請勿使用含有碳粉、灰塵等異物以及水、油的空氣,否則可能導致觸電或故障。必要時,請設置空氣過濾器、空氣干燥器等對空氣進行適當的處理。 |