| 詳細描述:
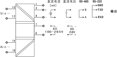
接線圖

★ 三相平衡負載測量時,接線方法如下:

★ 單相負載測量時,接線方法如下:

結構外型圖


技術參數
| 輸入 |
| 輸入信號 |
交流0~600V輸入,600V以上由電壓互感器轉換為滿量程為100V的電壓輸入 |
| |
交流0~5A輸入,5A以上由電流互感器轉換為滿量程為5A的電流輸入 |
| 輸出 |
| 輸出信號 |
4-20mA,0-10mA,0-20mA,1-5V,0-5V |
| 輸出負載 |
電流型≤500Ω,電壓型≥250KΩ |
| 通訊 |
MODBUS-RTU協議,RS-485傳輸距離≤1000米,RS-232傳輸距離≤10米 |
| 電源 |
| 電源 |
DC24V(±10%),AC100-265V 50-60Hz |
| 功耗 |
≤5W |
| 其它參數 |
耐壓強度 (輸入/輸出/通訊之間) |
≥1000V.AC 1分鐘 |
絕緣阻抗 (輸入/輸出/通訊之間) |
≥100MΩ |
| 工作溫度 |
0~50℃ |
| 相對濕度 |
≤85%RH |
| 安裝方式 |
35mmDIN導軌安裝 |
| 安裝尺寸 |
22.5*110*115mm(寬*高*深) |
| 測量精度 |
0.3%FS±1字 |
| 響應時間 |
≤1S |
| 重量 |
約150克 |
儀表選型
| |
|
6 |
|
7 |
|
8 |
|
9 |
| D4系列智能電量變送器 NHR-D4 |
- |
□ |
|
□ |
- |
□ |
- |
□ |
| 位 |
規格 |
注釋 |
|
| | ↓ X Y |
|
| | | | | | | | | | | | | | ↓ □ |
|
| | | | | | | | | | | | | | | | | | | | | | | | | | | ↓ □ |
|
| | | | | | | | | | | | | | | | | | | | | | | | | | | | | | | ↓ A D |
| 6 |
<顯示方式> |
|
| 無顯示 |
| 液晶顯示 |
| 7 |
<輸入類型>(從列表中選擇代碼) |
|
|
| 代碼 |
類型 |
| A |
交流電流 |
| V |
交流電壓 |
| COS |
功率因素 |
| HZ |
工頻周波 |
| W0 |
無功功率 |
| W1 |
單相功率 |
| W2 |
三相平衡功率 |
| 8 |
<輸出> |
|
|
| 代碼 |
類型 |
| X |
無輸出 |
| 0 |
4-20mA |
| 1 |
1-5V |
| 2 |
0-10mA |
| 3 |
0-5V |
| 4 |
0-20mA |
| D1 |
RS-485通訊(Modbus) |
| D2 |
RS-232通訊(Modbus) |
| 9 |
<電源> |
|
|
| AC100-265V 50-60Hz |
| DC24V |
型號舉例:NHR-D4-Y-A-0-D(A/0-5A) 智能電量變送器帶液晶顯示,輸入信號為0-5A,輸出信號為4-20mA,供電電源為DC24V。 備注:訂貨時請在選型后標注輸入量程范圍;特殊功能可訂制。 |