|

主要應用領域: 鹽浴爐、工頻感應爐、淬火爐溫控;熱處理爐溫控;玻璃生產過程溫控;金剛石壓機加熱;大功率充磁/退磁設備;半導體工業舟蒸發源;航空電源調壓;真空磁控濺射電源;紡織機械;水晶石生產;粉末冶金機械;隧道電窯集散溫控系統;彩色顯像管生產設備;冶金機械設備;交直流電機拖動;石油化工機械;電壓、電流、功率、燈光等無級平滑調節,恒壓恒流恒功率控制等領域。 質量保障: 為了進一步提高產品質量,我們有嚴格的質量保證體系:嚴格把握元器件的進貨渠道;焊接前對元器件進行測試篩選;產品全部采用波峰焊(非人工焊接);控制板焊接完成后進行初調;初調合格后進行為期一周的通電升溫動態老化試驗;出廠前再進行全面檢測。確保給您提供的每一塊觸發板都是合格產品。 為了滿足不同層次的需求,我們正在加強新產品的開發,并不斷推陳出新。為了滿足您的特殊要求,我們愿為您單臺定制。您在使用我們產品時,可能還會發現一些不盡人意的地方,請您提出寶貴意見,我們在此表示衷心感謝。備注:特殊負載性質可以定制
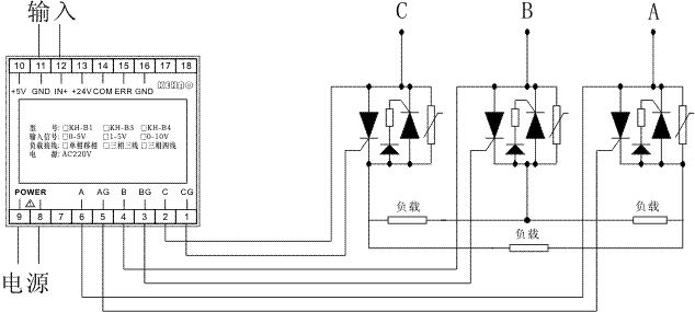
二、接線圖 
1:電源輸入端(9,8),請注意輸入電壓為交流220V。 2:輸入端(11,12),輸入信號視接線圖為準。 3:+5V(10,11)、+24V(13,14)可以提供電源,負載電流≤100mA。 4:故障控制端ERR(15,16)短接可以使模塊停止輸出,直至短接去除。
三、KH-B3 三相移相接線圖 
|