|
自力式壓差控制閥
自力式壓差控制閥(簡稱壓差控制閥) 能自動恒定被控環路的壓差且不需外力作用〔1〕。對具有多個支路的環路裝設壓差控制閥, 不但可以吸收外網的壓力波動, 隔離被控環路以外的干擾對其影響, 而且可以減弱被控環路內部各支路負載間的相互影響, 提高環路的水力穩定性。
電動二通調節閥
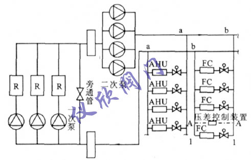
圖1 所示的某高層建筑空調冷凍水系統是一個帶有多個并聯環路, 每個環路又包含若干個并聯支路的二級空調水系統。其一次泵定流量, 二次泵變流量。系統的末端是多臺空調器和風機盤管, 均采用電動二通調節閥調節水量以滿足末端負載的需求。這種應用電動二通調節閥調節水量以實現末端負荷需求的變流量系統, 其作用于電動二通調節閥上的壓差是變化的, 某些工況下, 這種變化可能會引起電動二通調節閥的控制失靈, 對整個系統造成不利的影響, 從而達不到調節目的。

圖1空調工程冷凍水系統
因為閥門特性隨閥開度按比例偏離理想特性,閥開度越小, 閥門特性的偏離越大。當閥門在較小閥開度下工作時, 如果負荷變化使閥門進行調節時, 會產生較大的偏離。例如, 當圖1 中b - b 支路控制某臺風機盤管的電動二通調節閥的傳感器檢測到室溫降低時, 電動二通調節閥在傳輸信號作用下關小, 此時, 水泵揚程近似不變。由于系統流量減小, 在其他管道閥門沒有調節的情況下, 消耗在這些管件上的壓降減小, 導致電動閥兩端的壓差增高。由于閥門特性隨閥開度按比例地偏離, 再結合換熱器的靜特性(上凸型曲線特性) , 則換熱量隨開度的偏離也越大(例如直線流量特性的調節閥,當閥開度低于013 時, 其工作流量特性曲線嚴重偏離理想流量特性, 近似快開特性) 。此時實際的流量會高于理論流量, 導致電動調節閥在該開度下的冷量高于預期值〔2〕。即使閥門再關小, 但因壓差進一步增高, 散熱量仍將高于需要量, 電動二通調節閥只有繼續關小, 直至關閉。電動二通調節閥關閉后, 房間溫度很快就會上升, 傳感器檢測到室溫升高時, 電動二通調節閥在傳輸信號的作用下就會全部打開。當房間負荷減小時, 電動調二通節閥又會出現調節現象。其結果使在較低負荷運行的閥門以開/ 關模式運行, 導致振蕩現象。
采用壓差控制閥配合電動二通調節閥進行末端控制的系統, 若冷源側仍采用定水量系統, 雖然房間舒適性要求滿足了, 但僅僅依靠閥門節流產生的節能效果是有限的。對圖1 的二級泵系統, 一次側可采用傳統的負荷控制法, 由冷機分階段調節流量, 各階段內為定流量。二次側可以壓差為信號控制二次泵變頻調速實現系統節能。由于任何支路或主干路的調節都對其他支路產生影響, 所以, 可以監控最不利環路的末端壓差或選取的幾個有代表性的末端的壓差(監控點設置在壓差控制閥前) , 并以最不利環路的壓差或者選取的幾個末端的總壓差為信號, 控制二次泵的變頻調速。
在電動二通調節閥前串聯壓差控制閥, 當電動二通調節閥根據末端負荷變化改變流量時, 其調節不受外界調節的干擾, 從而保證了調節性能。壓差信號控制二次泵變頻調速, 能節省系統運行能耗。總之, 壓差控制閥在空調水系統中的應用既可以滿足各用戶的流量要求, 達到末端主動變流量的目的, 又可以降低系統能耗, 使空調的舒適性和系統節能同時實現。
|