|
TMC246微步驅動芯片的原理與應用
摘 要:TMC246是一款雙全橋驅動器IC,適用于雙極步進電機控制。用戶可選擇105℃高溫運行或每相1.5A的大電流工作類別的產品。該產品具有電流消耗低、效率高的特點,并提供了內部DAC,可實現微步進調節和智能控制功能,強化電機和驅動器的冷卻。該器件還能通過串行接口(SPI)或模/數輸入信號進行控制,并集成了短路、過熱、欠壓和過壓保護功能。
關鍵詞: 雙全橋; SPI; PWM; DAC;
1.TMC246的主要性能
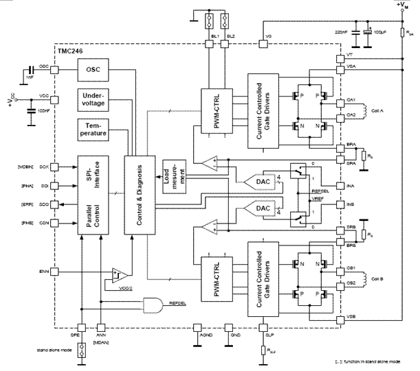
TMC246是一款雙全橋驅動芯片,適用于雙極性步進電機的驅動。內部集成專利技術無傳感器的失速檢測功能可用在無需外部傳感器的位置控制中;該功能還可以預測電機的超載情況,適用于需要高可靠性的場合。芯片內部集成MOSFETs,采用獨特的Low-RDS-ON技術達到低功耗,高效率性能,強化電機和驅動器的自身冷卻無需外部的散熱設備,即使在外部環境溫度很高的情況下也可以實現1.5A的驅動電流輸出。TMC246的低功耗,高效率,體積小的設計理念使其成為嵌入式運動控制甚至電池供電設備的完美選擇,內部集成的DAC功能可實現對電流的微步控制,TMC246可通過SPI串行接口或模擬/數字信號輸入控制,另外該芯片還具有短路,過溫,欠壓,過載等保護功能。
● 集成無傳感器的失速探測功能(StallGuard)和負荷測量功能
● 通過簡單便捷的SPI串行總線控制或外部模擬/數字信號控制
● 短路,過溫,過壓保護功能
● 內部集成4bitDAC自身可實現16倍的微步細分功能通過SPI可擴展到64倍細分
● 可以實現通過外部的模擬信號來實現任意的細分控制
● 具有實現電機平滑控制的混合衰減功能
● 通過單一電容或外部的時鐘實現頻率的編程控制
● 7V-34V電機驅動電壓
● 高達1.5A的電機驅動電流,即使在外部溫度105℃時也可以輸出0.8A的電流
● 3.3或5V的數字控制電壓
● 低功耗,高效率的RDS-ON電源設計


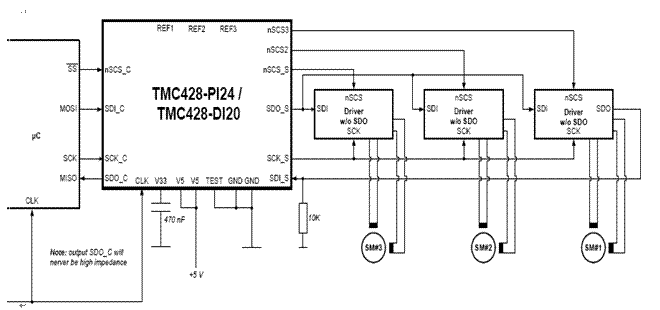
TMC246通過串行總線SPI控制。通過SPI數據設置兩相線圈的電流和極性,通過接收到的數字描述正弦波和余弦波,TMC246可以輸出微步脈沖控制電機,每個微步都是根據SPI的數據產生,如果配合使用TMC428(3軸控制芯片)可以自動產生SPI指令和控制電機的波形,實現3軸電機的控制。
電機的電流值完全依據標準的4位DAC,當重新上電之后或通過ENN取消使能后所有的寄存器的值為0,此時電機處于低電流的待命狀態,所有的SPI輸入都具有施密特觸發器功能
在SPI模式下通過INA,INB控制基準電流,在SPI模式下芯片可以通過外部的參考電壓實現每路的DAC,此功能適合不同的電機,可以通過將引腳ANN和GND短接實現這個模式。輸入2V的電壓對應100%的線圈電流,不同的DAC電流設置取決與外部的電壓輸入。
Standby 和shutdown模式。可以通過外部認為或內部自動將IC的電路設置為低消耗的Standby待命模式,在芯片進入Standby模式之前,TMC246將關閉所有的功率驅動輸出,在Standby模式下震蕩器失能,震蕩器的引腳處于低電平狀態。Standby模式的再次使能可以通過2種不同的方式實現當是使用SPI模式控制時可以通過串行接口實現使能;當在非SPI模式時可以通過ENN引腳來實現。Shutdown模式可以更進一步地減少電流的輸出,只有通過上拉ENN使其處于高電平來通過SPI方式使能Shutdown模式,當在Shutdown模式模式下內部所有的參考電壓關閉SPI電路處于復位狀態。可以通過控制輸出電流實現節約能量,減少熱量產生,減少電機上的熱應力提高控制精度,在電機停止時可以將電機線圈的電流減少至我們需要的值。
StallGuard 功能:TMC246具有專利技術失速檢測功能,該功能可以通過串行接口以數字形式將電機當前的負載讀出來,在電機運動過程中讀出的電機負載的值將會以3bit的數值反應出來,電機上的負載越大所讀出負載的值將越小。
無需外部傳感器實現位置控制。在不使用外部開關或光電傳感器的情況下電機可以尋找到某一個位置點。
5.保護功能
過流保護和診斷功能。TMC246使用電流傳感電阻檢測是否過流,只要檢測的電壓超過0.61V,PWM立刻停止,橋上的晶體管全部關閉,錯誤寄存器自動加一;比較電路的高電平側檢測到與GND短路或者過流,無論何時VS和VT之間的電壓高于0.15V時,所有的晶體管將會處于關閉狀態。過流信號可以通過ENN消除或通過發送電流的設置“0000”
過溫保護個診斷。在溫度過熱的情況下電路將關閉所有晶體管的輸出。過溫信號可以監控,當溫度低于極限溫度時電路重新恢復工作狀態,所以如果想延長芯片的使用壽命,應該避免在高溫環境中使用。
6.系統的構成
采用RAM或簡單,廉價的單片機做系統的微處理器,結合TMC428和驅動芯片TMC246構成3軸步進電機的控制和驅動,TMC246內部本身集成了HVCMOSFET構成的雙橋驅動電路,采用恒流斬波驅動方式來驅動雙極性兩相步進電機,并具有功耗低,效率高的優點。整個系統如下圖所示 
更多資料請聯系:13812617052
|