|

步進電機控制與驅動一體芯片TMC223原理與應用
摘 要:在今日空間有限的環境中,設計人員急需功能豐富,體積精巧而整體效能強大的解決方案,TMC223在對步進電機的控制中集成了控制和驅動功能,減輕了軟件的設計量,減少外圍電路,從而達到降低成本的目的
關鍵詞:OTP ; IIC ; StallGuard
通常情況下在設計單軸步進系統時要分別選擇,設計控制部分,驅動部分和功率管這三個部分往往是獨立的,需要對各個部分進行設計開發。而TRINAMIC公司開發的TMC223這款芯片集成了控制功能,驅動功能和驅動管,大大減少了開發時間和成本的同時也減小了產品的體積,增強了功能。
1. 功能
TMC223是一款集成了 步進電機微步控制、驅動、RAM、OTP存儲器以及該公司的專利技術StallGuard功能與一起的高性能芯片。RAM或OTP存儲器用來存儲電機參數和一些配置參數。TMC223自身帶有最大16倍的細分,驅動電流可達0.8A,通過2根線的串行接口與微控制器通訊,只需要一個廉價的微控制器和TMC223就可以組成一個完整的單軸步進電機控制驅動系統。TMC223主要部分的性能如下:
●電機驅動方面
◆驅動單個步進電機帶有4位分辨率的微步細分,包括整步最大細分數16
◆可編程控制的線圈電流最大0.8A所提供的驅動電壓范圍在8V—29V
◆固定頻率的PWM電流控制帶有自動選擇的快慢衰減模式
◆整步頻率1KHz
◆高溫、開路、短路、過流以及欠壓診斷
●電機運動控制方面
◆內置16位的位置計數器
◆可配置速度、加速度的設置
◆波形發生器可以根據所選擇的位置或速度控制模式自動配置
◆可在電機運動過程中及時更改目標位置
◆外部參考信號出入,可用做電機限位信號
●2線的串行接口
◆傳輸速率350KBPS
◆可以傳輸診斷,狀態信息以及運動參數
◆可編程的節點地址數32個
●無需外部傳感器的失速探測功能
◆可以檢測電機超載避免丟步
◆監測系統的震動情況,有的放矢地解決共振問題
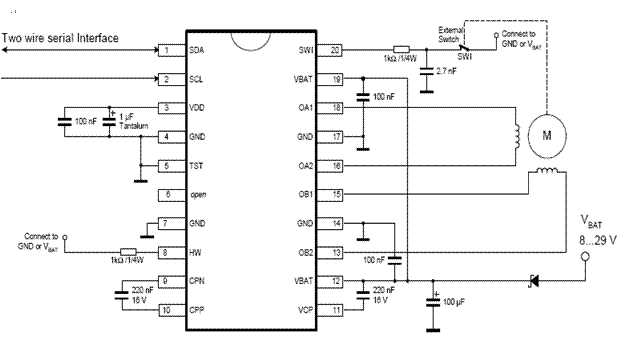
TMC223引腳及功能

3. 內部結構及工作原理
圖3為TMC223芯片內部功能框圖,電機的工加速度、加速度、目標位置等參數通過串行接口傳送至主控制區域,這些信息被存儲在內部的RAM或OTP存儲器中,用于與位置控制。控制區域將按照設定好的參數來驅動步進電機以達到所需的控制速度,目標位置等。
內部集成了兩個雙H橋功率管可以直接驅動2相步進電機,驅動電流可以達到0.8A,PWM用來控制流入電機線圈的電流,外部的電流輸出感應電阻和內部的參考的值形成電流校正的閉環,通過輸出電流比較電路,PWM產生信號來驅動功率管。TMC223通過2線具有雙向串行數據接口與微控制器通訊,運動指令通過有微控制器經過串行總線送至TMC223主控制區,而一些診斷信息也可以經過TMC223傳送至微控制器,在同一總線上可以最多連接32個節點,從地址可以通過OTP存儲器或外部的接口來定義。
TMC223還具有StallGuard(失速探測功能)用在無需外部參考點的定位控制中,如不需要外部參考點的回原點運動。
TMC223支持微步細分功能具有半步、1/4、1/8、1/16,該功能保證了步進電機的平滑運動和很小的力矩波動幾種細分模式可于用戶自己選擇。
下面介紹TMC223幾種典型在不同情況下的運動模式
電機以線形經過零點,在經過零點時電機的力矩波動非常小。
在運動過程中更改目標位置,TMC223有著和其它控制器不同的功能,這種更改電機是及時響應的,其它的控制器的控制方法是要在第一個目標位置到達后才執行更改后的目標位置,并非及時地響應。
TMC223內部具有溫度檢測功能,到溫度達到極限溫度時電路會自動進入關閉狀態,而且在這之前會產生溫度報警信號;此外TMC223還具有電壓檢測功能,電路也會進入關閉狀態當檢測到電壓低于極限值時,而且在這之前也會有報警信號產生。
4. 系統構成

整個系統的電路非常簡單,采用任何具有IIC通訊的微處理器結合TMC223芯片便構成單軸步進電機控制驅動系統,整個系統只需要2個主要的芯片即可,其中所有的運動功能包括波形發生器,脈沖發生器;驅動功能包括PWM,功率驅動等主要功能均由TMC223來實現,外部直接連接兩相步進電機,而微處理器負責通訊以及向TMC223發送指令,和傳統的方式相比大大減輕的微處理器的負擔,可以將其解放出來做更高層次的開發如I/O控制等。
整套系統外圍電路非常簡單,抗干擾能力強,可靠性高,減少系統的成本。由于整個系統只需要2個芯片所以可把體積做得很小,可用在空間有限的場合,如安防上的云臺以及儀器儀表,汽車電子等眾多領域。
更多資料請聯系:13812617052
|