PH-14無源熱電阻信號隔離器(C類)熱電阻激勵電流:800μA,輸出負載電阻:0-500Ω等特點。
規格型號及代碼

主要技術參數
熱電阻激勵電流:800μA
輸出負載電阻:0-500Ω
精 度:±0.2%F.S
溫度系數:<50PPM/℃
環境溫度:-10℃-+60℃
絕緣電阻:輸入、輸出之間100MΩ(500VDC)
絕緣強度:輸入、輸出之間1500VAC/分鐘
兩線制電源:24VDC (接口內部電源)
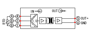
原理示意圖

端子編號及接線圖

訂貨注明
標明輸入、輸出信號的代碼
例:輸入PT100(0-200℃) 輸出4-20mA
無源信號隔離器型號PH1441