北京平和 PH-34熱電偶信號分配器輸入阻抗:≥100KΩ ,輸出阻抗:電壓型:≥10KΩ 電流型:≤550Ω
規格型號及代碼

A:0-5VDC
B: 1-5VDC
C: 0-20mA
D: 4-20mA
H: 用戶特定參數
主要技術參數
輸入阻抗:≥100KΩ
輸出阻抗:電壓型:≥10KΩ 電流型:≤550Ω
精 度:±0.5%F.S
溫度系數:<50PPM/℃
環境溫度:-10℃-+60℃
絕緣電阻:電源、輸入、輸出1、輸出2之間≥100MΩ(500VDC)
絕緣強度:電源、輸入、輸出1、輸出2之間1500VAC/分鐘
電 源:24VDC±10%
消耗功率:<2W
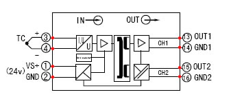
原理示意圖

端子編號及接線圖

規格型號及代碼
訂貨注明
標明輸入、輸出信號的代碼
例:輸入0-800℃
輸出1:1-5VDC 輸出2:4-20mA
隔離分配器型號PH343ED(注明熱點偶型號K.S.B等)