PH-12無源交流信號隔離器(C類)
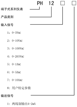
規格型號及代碼

主要技術參數
輸入阻抗:電壓型:≥100KΩ 電流型:≤2Ω
輸出負載電阻:0-500Ω
精 度:±0.2%F.S
溫度系數:<50PPM/℃
環境溫度:-10℃-+60℃
絕緣電阻:輸入、輸出之間100MΩ(500VDC)
絕緣強度:輸入、輸出之間1500VAC/分鐘
兩線制電源:24VDC (接口內部電源)
原理示意圖

端子編號及接線圖

訂貨注明
標明輸入、輸出信號的代碼
例:輸入0-1AAC 輸出4-20mA
無源信號隔離器型號PH1251