PH-25電位計信號隔離器輸出阻抗:電壓型≥10KΩ 電流型:≤550Ω,精度:±0.2%F.S
規格型號及代碼

1:0-5VDC
2:1-5VDC
3:0-20mA
4:4-20mA
8:用戶特定參數
主要技術參數
輸出阻抗:電壓型≥10KΩ 電流型:≤550Ω
精 度:±0.2%F.S
溫度系數:<50PPM/℃
環境溫度:-10℃-+60℃
絕緣電阻:電源、輸入、輸出之間≥100MΩ(500VDC)
絕緣強度:電源、輸入、輸出之間1500VAC/分鐘
電 源:24VDC±10%
消耗功率:<1.5W
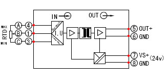
原理示意圖

端子編號及接線圖

訂貨注明
標明輸入、輸出信號的代碼
例:輸入0-5KΩ 輸出0-20mA
隔離器型號PH2533