北京平和 PH-23熱電阻信號隔離器熱電阻激勵電流:恒流800μA,輸出阻抗:電壓型≥10KΩ 電流型≤550Ω
規格型號及代碼

主要技術參數
熱電阻激勵電流:恒流800μA
輸出阻抗:電壓型≥10KΩ 電流型≤550Ω
精 度:±0.2%
溫度系數:<50PPM/℃
環境溫度:-10℃-+60℃
絕緣電阻:電源、輸入、輸出之間≥100MΩ(500VDC)
絕緣強度:電源、輸入、輸出之間1500VAC/分鐘
電 源:24VDC±10%
消耗功率:<1W
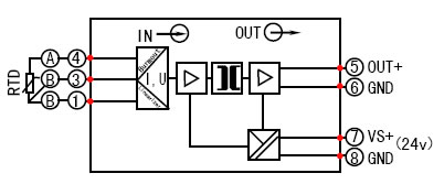
原理示意圖

端子編號及接線圖

訂貨注明
標明輸入、輸出信號的代碼
例:輸入PT100(0-200℃) 輸出4-20mA
隔離器其型號為PH2345