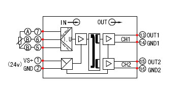
北京平和 PH-33熱電阻信號隔離分配器熱電阻激勵:26V,輸出阻抗:電壓型≥10KΩ
規格型號及代碼

A:0-5VDC
B:0-10VDC
C:1-5VDC
D:0-20mA
E:4-20mA
H:用戶特定參數
主要技術參數
熱電阻激勵:26V
輸出阻抗:電壓型≥10KΩ
電流型:≤550Ω
精 度:±0.2%F.S
溫度系數:<50PPM/℃
環境溫度:-10℃-+60℃
絕緣電阻:電源、輸入、輸出1、輸出2之間100M(500VDC)
絕緣強度:電源、輸入、輸出1、輸出2之間1500VAC/分鐘
電 源:24VDC±10%
消耗功率:<2W
原理示意圖

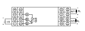
端子編號及接線圖