北京平和 PH-32帶配電隔離分配器配電電壓:26V,輸出阻抗:電壓型≥10KΩ 電流型:≤550Ω
規格型號及代碼

主要技術參數
配電電壓:26V
輸出阻抗:電壓型≥10KΩ 電流型:≤550Ω
精 度:±0.2%F.S
溫度系數:<50PPM/℃
環境溫度:-10℃-+60℃
絕緣電阻:電源、輸入、輸出1、輸出2之間100MΩ/500VDC
絕緣強度:電源、輸入、輸出1、輸出2之間1500VAC/分鐘)
電 源:24VDC±10%
消耗功率:<2W
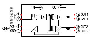
原理示意圖

端子編號及接線圖

訂貨注明
標明輸入、輸出信號的代碼
例:輸入4-20mA
輸出信號1:0-20mA 輸出信號2:1-5VDC
隔離分配器型號及PH321AC