北京平和 PH-44直流隔離分配器(一路輸入、四路輸出)輸入阻抗:電壓型≥100KΩ 電流型:≤100Ω,輸出阻抗:電壓型≥10KΩ 電流型:≤400Ω
規格型號及代碼

A:4-20mA
B:2-10mA
C:1-5V
D:0-20mA
E:0-5V
F: 用戶特定參數
主要技術參數
輸入阻抗:電壓型≥100KΩ 電流型:≤100Ω
輸出阻抗:電壓型≥10KΩ 電流型:≤400Ω
精 度:±0.2%F.S
溫度系數:<50PPM/℃
環境溫度:-10℃-+60℃
絕緣電阻:電源、輸入、輸出各通道之間≥100MΩ(500VDC)
絕緣強度:電源、輸入、輸出各通道之間1500VAC/分鐘
電 源:24VDC±10%
消耗功率:<3W
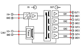
原理示意圖

端子編號及接線圖

訂貨注明
標明輸入、輸出信號的代碼
例:輸入0-5V
輸出信號1、2:4-20mA
輸出信號3、4:1-5V
隔離分配器型號PH4042AC