| ● Profibus dp通訊方式,支持多種組態軟件、PLC系統; |
| ● 5位0.8”LED紅色主數碼管顯示; |
| ● 5位0.5”LED輔助雙排數碼顯示,可顯示2組不同數據; |
| ● 4點LED狀態顯示,可作為狀態、報警提示; |
| ● 9.6Kbps~6 Mbps自適應波特率選擇,特殊情況下可使用12Mbps; |
| ● 0000~9999顯示范圍和總線故障Err指示; |
| ● 從上至下共3組00000~99999顯示范圍,每組均帶正負號共15個擴展特殊符號顯示; |
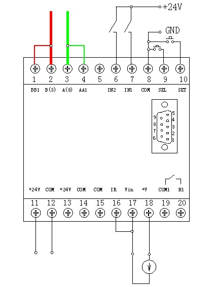
| ● 端子及標準DB9 Profibus 連接口;最多可連接125塊數碼顯示表; |
| ● 顯示值與PLC內部數據完全一致,精確,無誤差、無零漂、無需計量。 |
| ● DC 9~30V寬范圍電源輸入、防雷擊和電源反接保護,與通訊回路隔離;。 |
| ■ 擴展功能(需要訂貨時指明) |
| ● 1路帶配電功能12bit的 遠程模擬量輸入: |
本功能相當于增加了1路模擬量遠程輸入,且輸入方式可有如下方式選擇: |
帶配電功能的2線制輸入,提供最大24mA/24V的電流輸入; |
也可使用外部提供的0~20mA或者4~20mA輸入方式或使用0~5V或者1~5V電壓輸入; |
輸入的模擬量為12bit,例如:4~20mA或者0~5V輸入對應0~4095; |
| ● 2路遠程開關量輸入功能; |
| ● 1路遠程繼電器輸出功能; |
| ■ 主要參數 |
|
工作電壓 |
DC 9~30V寬范圍電源輸入、防雷擊和電源反接保護 |
|
功率消耗 |
最大24V/0.1A; |
|
通訊接口 |
標準Profibus接口,(最多可設置為125塊表) |
|
通訊速率 |
9.6Kbps~6 Mbps自適應波特率 |
|
兼容性 |
與Profibus 系統完全兼容 |
|
傳送距離 |
通訊用雙絞線<1.2KM,中繼器、光纖器可擴展距離 |
|
顯示規格 |
3組LED數碼管顯示,字高20mm (0.8”)*5及字高12.5mm(0.5”)*10 |
|
小數點顯示方式 |
3組可編程浮點顯示方式 |
|
設置方式 |
主站用戶參數設置、手動按鈕設置 |
|
模擬量輸入(擴展) |
配電0~20mA輸入或0~5V電壓輸入 12bit |
|
遠程輸出(擴展) |
共13個字節 |
|
遠程輸入(擴展) |
共3個字節 |
|
刷新速度 |
單塊表>100~200ms |
|
外形尺寸 |
寬120×高120×深129mm |
|
重量 |
不含包裝約0.18Kg |
|
工作溫度 |
-10 ~ +55℃ |
|
工作濕度 |
20 ~ 85%(不結露) | |
| ■ 外型圖(開孔尺寸為 112mm×112mm) |
|
|
| ■ 端子示意圖 |
|
|
| ■ 面板區域劃分 |
|
|
| ■ 控制數據與顯示內容 |
|
|
|

|
| ■ CMD15A5顯示表參數設置 |
|

|
| CMD15A5產品pdf資料下載 |